EasyManua.ls Logo

FARFISA INTERCOMS ECHOS - Page 207

FARFISA INTERCOMS ECHOS
236 pages
Print Icon
To Next Page IconTo Next Page
To Next Page IconTo Next Page
To Previous Page IconTo Previous Page
To Previous Page IconTo Previous Page
Loading...
205
(MT11 - Gb2012)
Si 46MO/1
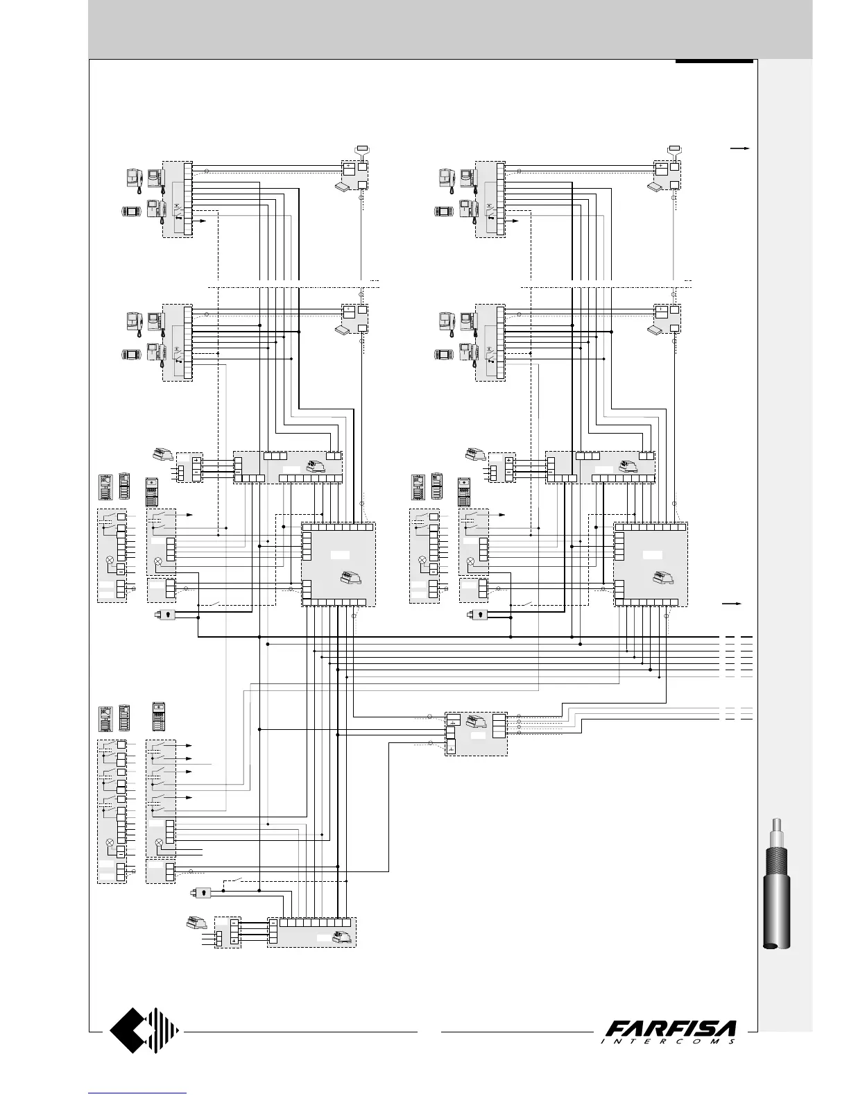
VIDEO INTERCOM SYSTEM WITH SECONDARY VIDEO STATIONS AND 1 MAIN COMMON VIDEO STATION
(multiple entrance)
4+1
INTERCOMS *
7+1
VIDEOINTERCOMS
476
OUT2
OUT3
OUT4
OUT5
PA PA
10a
9a
8a
10a
9a
8a
230V 230V
230V
127V 127V
127V
00
0
F F
S S3+ 3+
1282E 1282E
1282E
I
A
SE
1 1
5 57a 7a12 1211 117 710 10
9 98 8
6
2
12a
11a
6
2
12a
11a
F
14
OUT1
PA
4 47 7
3D 3D
I I
xn(C)
x1(C)
xn(B)
xn(A)
1281 1281
1273TV 1273TV
1281
“C-D-..”
4(C)
MD30
MD41
H
IV
H
IV
A A
IV
A
H
A A
1D 1D
2D 2D
125
C+
X
H
SE SE
Xn(A) Xn(B)
MD30 MD30
MD41 MD41
H
V
M
H
V
M
H
V
M
H
V
M
4
3
2
1
4
3
2
1
4
3
2
1
P P
P
P
P
P P
P
P
P
C C
C
C
C
A A
A
PL4.P PL4.P
H
V
M
H
V
M
4
3
2
1
4
3
2
1
IN
S F 3+ 3D C+ 2 X H 5
4
3
2
1
4 4
3 312b 12b11b 11b10b 10b7b 7b9b 9b8b 8b
MAS4.
Mody
Mody Mody
Matrix
Matrix Matrix
Profilo
Profilo Profilo
PL4.P
MAS4.
MAS4.
125
C+
X
H
OUT OUT
OUT OUT
“A” “B”
IN IN
IN IN
IN IN
IN IN
75 75
DV2
DV4
DV2
DV4
DV2
DV4
DV2
DV4
“C-D-..”
xn(A) Xn(B)
8
V
M
F
H
1
2
3
4
5
9M
9R
1C
8
V
M
F
H
1
2
3
4
5
9M
9R
1C
8
V
M
F
H
1
2
3
4
5
9M
9R
1C
8
V
M
F
H
1
2
3
4
5
9M
9R
1C
ECHOS ECHOS
ECHOS ECHOS
EXHITO EXHITO
EXHITO EXHITO
COMPACT COMPACT
COMPACT COMPACT
STUDIO STUDIO
STUDIO STUDIO

Table of Contents

Related product manuals