EasyManua.ls Logo

FARFISA INTERCOMS ECHOS - Page 71

FARFISA INTERCOMS ECHOS
236 pages
Print Icon
To Next Page IconTo Next Page
To Next Page IconTo Next Page
To Previous Page IconTo Previous Page
To Previous Page IconTo Previous Page
Loading...
69
(MT11 - Gb2012)
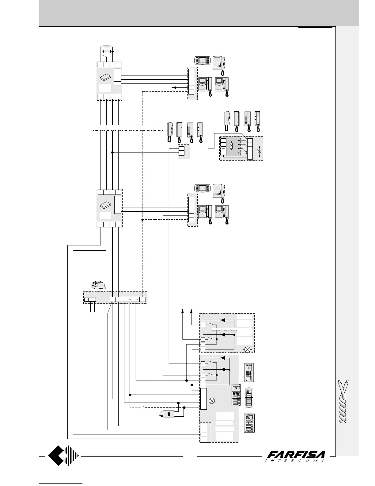
MULTI-WAY MIXED INTERCOM AND VIDEOINTERCOM SYSTEM CONNECTED TO ONE EXTERNAL DOOR
STATION
X
Y
H
F
10
4
DV2D
DV4D
DV2D
DV4D
X
X
F
F
H
H
Y
Y
2x
75W
XFHY
X1
Y1
H
F
X1
Y1
H
F
PA
SE
H
F
X
Y
230V
127V
0
1181E
X3 Xn
P
P
P
C
C
E
P
E
F
H
A
C
XFHY
4
X
Y
H
F
10
4
Xn
1
3
1
6
2
3
1
6
3
7
W1
SM50
B
C
R1
Mody
Matrix
Agorà
Profilo
PT511E
PT511E
KM811
KM811
EX321
EX321
AG100T
MAS2..
241DMA
PL2..
241DMA
MD2..
241D
1
A
S
AG 00V
AG40C
1
ED
MAS43.ED
PL4 P.ED
MD1.ED
MD41D
EX311
EX311
Compact
Compact
Echos
Echos
Exhito
Exhito
Exhito
Exhito
Conversation privacy
In case of conversation privacy func-
tion, jumper W1 of the intercom and
resistance R1 of module SM50 must
be cut.
Si 41MR/2
Intercom without
private conversa-
tion
Intercom with private
conversation
1+1
INTERCOMS *
4+1
VIDEOINTERCOMS

Table of Contents

Related product manuals