EasyManua.ls Logo

FAS PERLA HP - Special Maintenance, Cleaning of Coffee Unit Filters

FAS PERLA HP
68 pages
Print Icon
To Next Page IconTo Next Page
To Next Page IconTo Next Page
To Previous Page IconTo Previous Page
To Previous Page IconTo Previous Page
Loading...
54 PERLA HP - ISSUE 02
FAS International S.p.A. - Via Lago di Vico, 60 - 36015 SCHIO (VI) Italy - tel. +39 0445 502011 – fax +39 0445 502010 - e-mail: info@fas.it
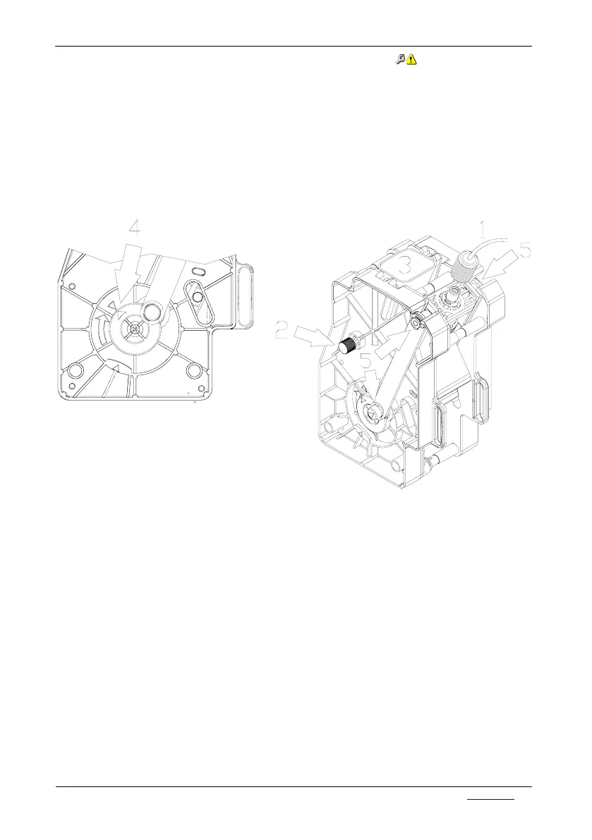
13.4 SPECIAL MAINTENANCE, CLEANING OF COFFEE UNIT FILTERS
Switch off the machine by means of the main switch and pull out the power plug.
Pull off the coffee dispenser tube from the arms.
Pull off the water inlet tube by unscrewing the ring nut (det.1).
Unscrew the knob and remove the unit from the support (det.2).
Remove the hopper from its seat (det.3).
Turn the lever to bring the infusion chamber to the position where the piston is extended as far as possible
(det.4).
Remove the sealing rings, pull out the shafts from the pins, in order to extract the pressing element support
(det.5).

Table of Contents