EasyManua.ls Logo

Fastech Ezi-SPEED ESD-30-C - Page 66

Fastech Ezi-SPEED ESD-30-C
93 pages
Print Icon
To Next Page IconTo Next Page
To Next Page IconTo Next Page
To Previous Page IconTo Previous Page
To Previous Page IconTo Previous Page
Loading...
-66-
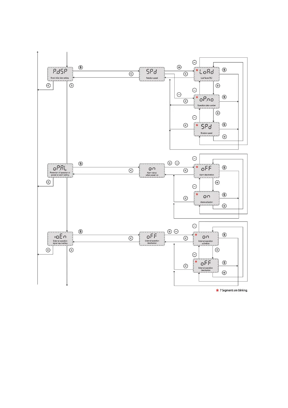
3. Parameter setting mode (2page)

Table of Contents