EasyManua.ls Logo

Felder FB 540 - Machine Operation; Brake System Maintenance and Adjustments

Felder FB 540
48 pages
Print Icon
To Next Page IconTo Next Page
To Next Page IconTo Next Page
To Previous Page IconTo Previous Page
To Previous Page IconTo Previous Page
Loading...
30
Bandsaw
FB 540/640/740/840/940
7.5.4 Adjusting the air gap
The machine should take between 6 to 10 seconds to
come to a halt. By twisting the self-locking bolt, it is pos-
sible to set the braking force, and thus the braking time,
between 6 and 10 seconds. It is important that once the
brake is set, an air gap of 0.5 mm is available between
the moveable rotor and the brake unit.
7.5.5 Manual brake airing
Unscrew the self-locking bolt until the cast fan propeller
moves away from the moveable rotor and the maximum
air gap is achieved. Reset the air gap to its original
value with this screw, once the brake ring has been
replaced.
COIsk screws
CPThrust collar
CSPressure spring
CTMovable brake component
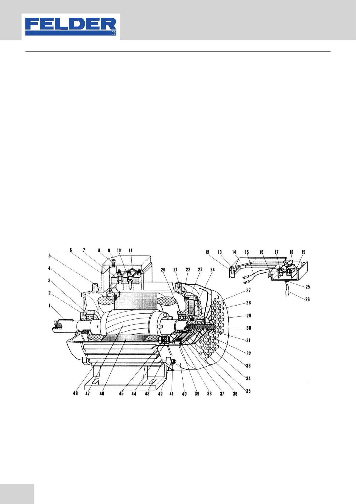
Fig. 24: Brake system
7.5.3 Replacing the brake unit
Remove the ventilation cowl and the safety screw and
pull off the fan propeller, thrust collar and pressure
spring. Seal the rectifier diode. The rectifier diode is
either located in position 44 or in the terminal box 18.
Loosen the 3 Isk screws, replace the brake and assemble
again in reverse order.
DMSafety screw
DPFan propeller
ELVentilation cowl
Operation

Table of Contents

Related product manuals