EasyManua.ls Logo

Felder FB 540 - Electrical Circuit Diagrams; FB 740;840;940 Circuit Diagram

Felder FB 540
48 pages
Print Icon
To Next Page IconTo Next Page
To Next Page IconTo Next Page
To Previous Page IconTo Previous Page
To Previous Page IconTo Previous Page
Loading...
39
Bandsaw
FB 540/640/740/840/940
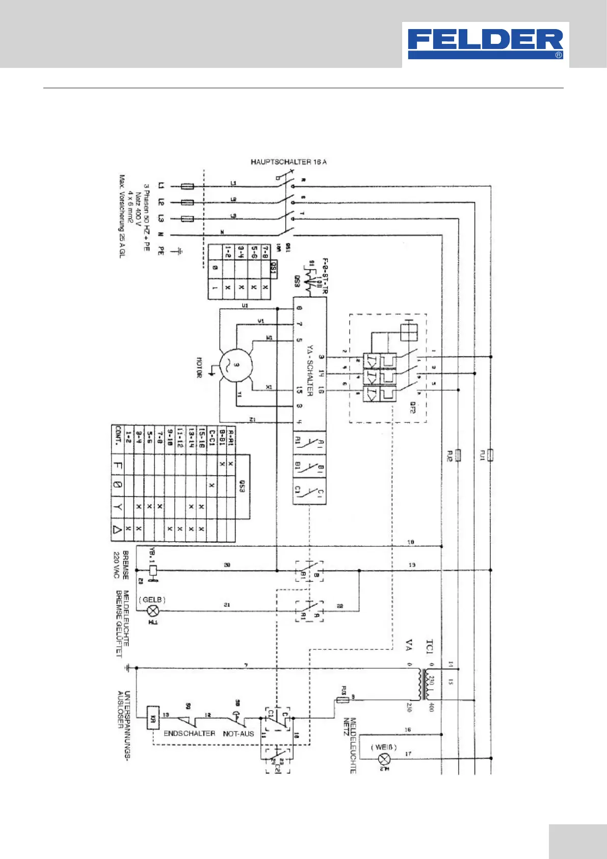
Fig. 30: Circuit diagram FB 740/840/940
10.3 Bandsaw FB 740/840/940
Electrical circuit diagram

Table of Contents

Related product manuals