EasyManua.ls Logo

Fermax BUS2 - Call Extension Module

Fermax BUS2
52 pages
Print Icon
To Next Page IconTo Next Page
To Next Page IconTo Next Page
To Previous Page IconTo Previous Page
To Previous Page IconTo Previous Page
Loading...
Page 15
BB
BB
B
US2US2
US2US2
US2
BB
BB
B
US2US2
US2US2
US2
Code 97462I-1 V07_09
2
1
348567
11
9
10
13 1216 1415
MIC
NC NO C
-
BS
BUS-2
EXITEXIT
BB
+12
S
JP3
JP2
PACK EXTENSION
CN1
CN2
LEDS ON
SLAVE
MASTER
LEDS OFF
TARJETERO
CARD HOLDER
CN4
CN3
AUDIO
BUS-2 VERSTÄRKER
AMPLIFICATEUR BUS-2
BUS-2 AMPLIFIER
AMPLIFICADOR BUS-2
PROG
TEST
C
NO
NC
STATUS LEDS
LEDS ESTADO
VERSION :
LANGUAGE
IDIOMA
10
PAN & TILT
D
C
B
A
JP3 JP2
CN4
CN3
SW1
CN2
MIC
JP3
JP2
ARRIBA
UP
ARRIBA
UP
ARRIBA
UP
ARRIBA
UP
REF.2441
MODULO EXTENSION 16 LLAMADAS
16 CALL EXTENSION PACK
21
43
65
87
SIGUIENTE/NEXT
ANTERIOR/PREVIOUS
CN1
One of the advantages offered by the BUS2 system is that no call wires are used. This is possible because the call is
made through the transmission of a digital code generated by the amplifier in the outdoor entry panel when a specific
call button is pressed.
This code is sent via the 2-wire bus to all terminals in the apartment (monitors/telephones). Only the terminal which was
previously programmed with said code will recognise it and generate a call tone.
Obviously, after setting up the system, it will be necessary to programme each one of the monitors or phones with its
corresponding call code. This is easy to do as displayed in the sections corresponding to each monitor and telephone.
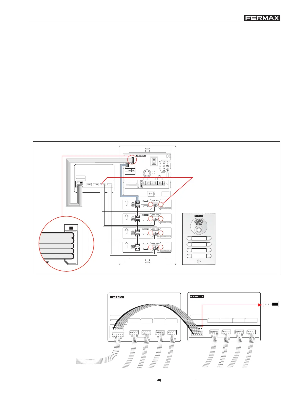
In order to generate the specific code for each call on City button panels, call extension modules are used (one for
every 16 buttons). This module translates the activation of each button on to panel into a call code. (See connection
diagrams for the call extension module).
The City panels with 1 to 3 buttons do not require the installation of a call extension module (see panel pre-cabling
diagrams).
If a larger number of buttons need to be covered, two or more modules can be used, up to a maximum of 199
apartments allowed by to BUS2 system.
Call extension module connection on City BUS2 panels
CITY BUS2 video panel
* Call extension module, ref. 2441
Call code generated by
pressing the call button
Call code assignation carried out by the call extension module can be modified by using the ‘Mapping’ function
available in the BUS2 amplifier. See section ‘Advanced programming - mapping’).
16 EXTENSION CALL PACK
1
REF.2441
43276510981211 151413 16
PACK EXTENSION 16 LLAMADAS
SIGUIENTE/NEXT
ANTERIOR/PREVIOUS
LLAMADAS/CALLS
16 EXTENSION CALL PACK
1
REF.2441
43276510981211 151413 16
PACK EXTENSION 16 LLAMADAS
SIGUIENTE/NEXT
ANTERIOR/PREVIOUS
LLAMADAS/CALLS
Buttons
1 to no. 6
Buttons
no. 17 to 32
16 15 14 13 12 11 10 9 8 7 6 5 4 3 2 132 31 30 29 28 27 26 25 24 23 22 21 20 1 9 18 17
To BUS2 amplifier
or next extension
module
SIGUIENTE/NEXT
B
AM
A
CN1
12
34
56
78

Related product manuals