EasyManua.ls Logo

Fermax BUS2 - BUS2 Switcher

Fermax BUS2
52 pages
Print Icon
To Next Page IconTo Next Page
To Next Page IconTo Next Page
To Previous Page IconTo Previous Page
To Previous Page IconTo Previous Page
Loading...
Page 30
Code 97462I-1 V07_09
BB
BB
B
US2US2
US2US2
US2
BB
BB
B
US2US2
US2US2
US2
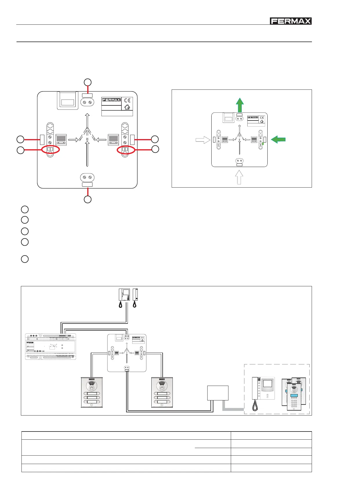
BUS2 switcher (Ref.3246)
In BUS2 systems with more than 1 access (two door entry/video door entry access points or a combination of these),
a ‘BUS2 switcher ref.3246’ is required.
The BUS2 panel switcher is a device which connects the active panel with the general bus, isolating other panels or
equipment which could be connected to the bus.
Bus connector panel 1: bus connection (B,B) coming from panel 1.
* Technical characteristics
2
3
4
Connector Aux: extension connection with MDS-BUS2 system: Reception, general entrances, etc. Connection
of output B, B of MDS/BUS decoder.
Connector bus output: bus data, audio and video output to BUS2 monitors/telephones.
Bus connector panel 2: bus connection (B,B) coming from panel 2.
5
Status LEDs:
- ON LED illuminated: Input activated. Informs about the input of the active switcher (selected panel).
- FAULT LED on: warns of fault in the bus connected to the input: bus short circuit, fault in connected device,
etc.
Consumption
Operating Temperature
24 Vdc
on standby
activated
-10 , +50 °C // 14, +122ºF
68 mA
96 mA
Power supply
F2
F1
MADE IN SPAIN
REF. 3246
CAMBIADOR DE PLACAS BUS-2
BUS-2 PANEL SWITCHER
AUX
PLACA 2
PANEL 2PANEL 1
PLACA 1
ON
ON
FAULT
FAULT
BUS-2 OUTPUT
B
B
BB
BB
B
B
2
PRW BUS
PRW BUS
PREV BUS
4820
22
100-240V
ALIMENTATEUR
NETZGERÄT
ALIMENTADOR
POWER SUPPLY
ELECTRONIC FUSE PROTECTED
After a short-circuit, main
voltage supply must be
disconnected for one minute
approx.
PROTEGIDO POR FUSIBLE
ELECTRÓNICO
Después de un cortocircuito
desconectar el primario
durante un minuto
aproximadamente.
24 V ; 2 A
50-60 Hz
100-240 V ; 1,2A
REF. 4820
INPUT
OUTPUT
V100-240
OVERLOAD
ON
PREV BUS
PWR BUSPWR BUS
MDS installation
987
654
321
A
B
0
MDS/
BUS2
2-wire bus (B,B)
MDS BUS
Reception
General
Entrance Panels
987
654
321
A
B
0
987
654
321
A
B
0
Panel 1
Panel 2
BUS2 power supply
Auxiliary input on standby
(Reception, MDS general entrance panel)
Panel
active
Panel on
standby.
Basic operation
MADE IN SPAIN
REF. 3246
CAMBIADOR DE PLACAS BUS-2
BUS-2 PANEL SWITCHER
AUX
PLACA 2
PANEL 2PANEL 1
PLACA 1
ON
ON
FAULT
FAULT
BUS-2 OUTPUT
B
B
BB
BB
B
B
1
MADE IN SPAIN
REF. 3246
CAMBIADOR DE PLACAS BUS-2
BUS-2 PANEL SWITCHER
AUX
PLACA 2
PANEL 2PANEL 1
PLACA 1
ON
ON
FAULT
FAULT
BUS-2 OUTPUT
B
B
BB
BB
B
B
3
1
2
4
5
5
BUS output with active panel
data, audio and video
Dimensions (Height x Width x Depth) 86 x 89 x 26 mm // 3.4 x 3.5 x 1”

Related product manuals