EasyManua.ls Logo

Fermax BUS2 - Basic Diagram for BUS2 Video Door Entry System

Fermax BUS2
52 pages
Print Icon
To Next Page IconTo Next Page
To Next Page IconTo Next Page
To Previous Page IconTo Previous Page
To Previous Page IconTo Previous Page
Loading...
Page 6
Code 97462I-1 V07_09
BB
BB
B
US2US2
US2US2
US2
BB
BB
B
US2US2
US2US2
US2
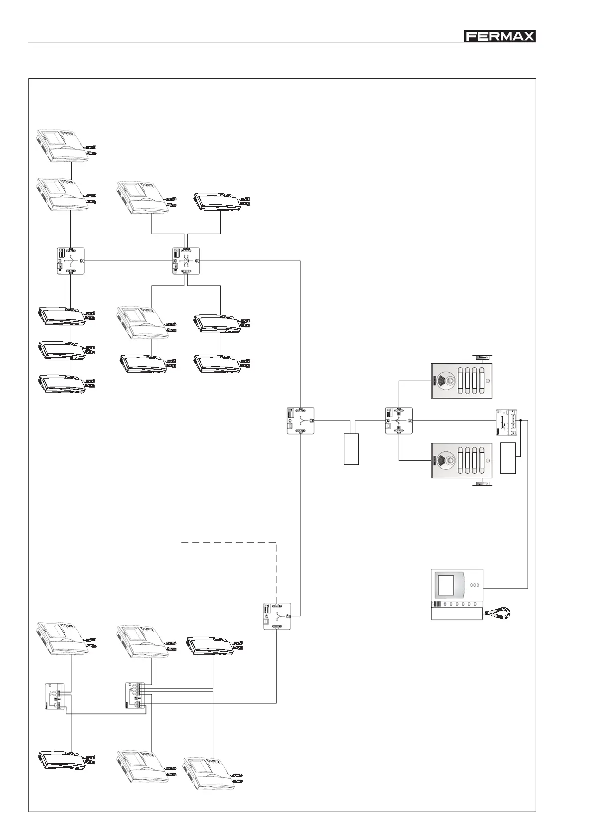
Basic diagram for BUS2 video door entry system
REF. 3248
MADE IN SPAIN
B
B
BB
B
B
FAULT
FAULT
ON
ON
TRONCAL
BUS IN
DERIVADOR DE TRONCALES BUS-2
BUS-2 RISER SWITCHER
CONNECT
DO NOT
RISER
RISER
TRONCAL
NO CONECTAR
MADE IN SPAIN
REF. 3246
CAMBIADOR DE PLACAS BUS-2
BUS-2 PANEL SWITCHER
AUX
PLACA 2
PANEL 2PANEL 1
PLACA 1
ON
ONFAULT
FAULT
BUS-2 OUTPUT
B
B
BB
BB
B
B
24 Vdc
B
BB
B
FAULT
ON
ON
DERIVACION
SPLIT 2
DERIVACION
B
B
ONFAULT
ONONFAULTFAULT
B
B
ON
FAULT
DERIVACION
SPLIT 4
SPLIT 1
SPLIT 3
DERIVACION
BUS-2 DISTRIBUTOR
DISTRIBUIDOR BUS-2
REF. 3240
MADE IN SPAIN
PROX/NEXT DISTRIB
BB
BB
PREV DISTRIB
BUS-2 OUTPUT
BUS-2 INPUT
JP1
NO
TERM
JP1
TERM
BUS-2 DISTRIBUTOR
DISTRIBUIDOR BUS-2
REF. 3240
MADE IN SPAIN
PROX/NEXT DISTRIB
B
B
BB
BB
PREV DISTRIB
B
B
BUS-2 OUTPUT
BUS-2 INPUT
FAULT
FAULT
ON
ON
DERIVACION
SPLIT
1
2
SPLIT
DERIVACION
JP1
NO
TERM
JP1
TERM
REF. 3248
MADE IN SPAIN
B
B
BB
B
B
FAULT
FAULT
ON
ON
TRONCAL
BUS IN
DERIVADOR DE TRONCALES BUS-2
BUS-2 RISER SWITCHER
CONNECT
DO NOT
RISER
RISER
TRONCAL
NO CONECTAR
REF.3250
DISTRIBUIDOR 2 SALIDAS BUS-2 BASIC
2 OUTPUTS BASIC BUS-2 DISTRIBUTOR
BUS Out
BUS In
Out 1 Out 2
TERM
NO TERM
JP1
CN1 CN2
REF.3251
DISTRIBUIDOR 4 SALIDAS BUS-2 BASIC
4 OUTPUTS BASIC BUS-2 DISTRIBUTOR
BUS Out
BUS In
Out 1 Out 2 Out 3 Out 4
TERM
NO TERM
JP1
CN1 CN2
D2
26
D1
-
+
PC
CT
V-
MDSBUS-2
VERSION
D2 2 6D1-+
BB
PC
PGM
DECODER MDS-BUS2
CT V -
DIRECCIONES
ADDRESSES
INI. FIN.
B
B
DL1
12 Vdc
3240
3241
3248
3246
3250
3251
3248
3245
2532
Basic distributors
Allow one terminal per
output
Standard distributors
Allow various terminals per
output
Reception
MDS
Panel switcher
Branch shunt
Apartment terminals:
Telephones and monitors
(b/w and colour)
MDS/BUS2 fecoder

Related product manuals