EasyManua.ls Logo

Fermax BUS2 - BUS2 Branch Shunt

Fermax BUS2
52 pages
Print Icon
To Next Page IconTo Next Page
To Next Page IconTo Next Page
To Previous Page IconTo Previous Page
To Previous Page IconTo Previous Page
Loading...
Page 31
BB
BB
B
US2US2
US2US2
US2
BB
BB
B
US2US2
US2US2
US2
Code 97462I-1 V07_09
REF. 3248
MADE IN SPAIN
B
B
BB
B
B
FAULT
FAULT
ON
ON
TRONCAL
BUS IN
DERIVADOR DE TRONCALES BUS-2
BUS-2 RISER SWITCHER
CONNECT
DO NOT
RISER
RISER
TRONCAL
NO CONECTAR
2
PRW BUS
PRW BUS
PREV BUS
4820
22
100-240V
ALIMENTATEUR
NETZGERÄT
ALIMENTADOR
POWER SUPPLY
ELECTRONIC FUSE PROTECTED
After a short-circuit, main
voltage supply must be
disconnected for one minute
approx.
PROTEGIDO POR FUSIBLE
ELECTRÓNICO
Después de un cortocircuito
desconectar el primario
durante un minuto
aproximadamente.
24 V ; 2 A
50-60 Hz
100-240 V ; 1,2A
REF. 4820
INPUT
OUTPUT
V100-240
OVERLOAD
ON
PREV BUS
PWR BUSPWR BUS
F2
F1
F2
F1
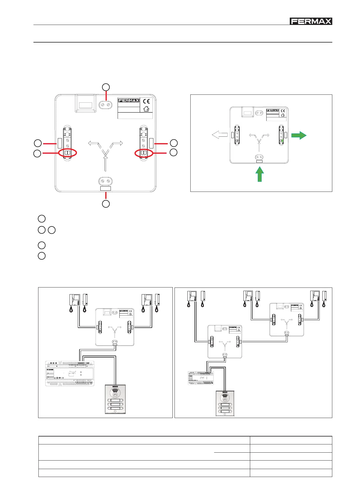
The ‘branch shunt’ separates the BUS2 signal into various trunks (branches).
The BUS2 branch shunt is a device responsible for connecting the entry panel with the branch on which the active
terminal (monitor or telephone) is located, isolating the rest of the branches or systems. This shunt enables the
communication of data from the remaining inactive terminals, meaning that they can communicate with the rest of the
system on a data basis.
BUS2 branch shunt (Ref.3248)
BUS2 branch connectors, or next branch shunt output.
* Technical characteristics
2
1
Connector connection power supply or PREVIOUS branch shunt.
BUS2 power supply
4
Not in use Do not connect.
5
Status LEDs:
- ON LED illuminated: Input activated. Informs about the input of the active switcher (selected panel).
- FAULT LED on: warns of fault in the bus connected to the input: bus short circuit, fault in connected device,
etc.
The branch shunts can be interconnected to increase the number of branches.
3
Backbone 2Backbone 1
REF. 3248
MADE IN SPAIN
B
B
BB
B
B
FAULT
FAULT
ON
ON
TRONCAL
BUS IN
DERIVADOR DE TRONCALES BUS-2
BUS-2 RISER SWITCHER
CONNECT
DO NOT
RISER
RISER
TRONCAL
NO CONECTAR
F2
F1
REF. 3248
MADE IN SPAIN
B
B
BB
B
B
FAULT
FAULT
ON
ON
TRONCAL
BUS IN
DERIVADOR DE TRONCALES BUS-2
BUS-2 RISER SWITCHER
CONNECT
DO NOT
RISER
RISER
TRONCAL
NO CONECTAR
F2
F1
F2
F1
2
PRW BUS
PRW BUS
PREV BUS
4820
22
100-240V
ALIMENTATEUR
NETZGERÄT
ALIMENTADOR
POWER SUPPLY
ELECTRONIC FUSE PROTECTED
After a short-circuit, main
voltage supply must be
disconnected for one minute
approx.
PROTEGIDO POR FUSIBLE
ELECTRÓNICO
Después de un cortocircuito
desconectar el primario
durante un minuto
aproximadamente.
24 V ; 2 A
50-60 Hz
100-240 V ; 1,2A
REF. 4820
INPUT
OUTPUT
V100-240
OVERLOAD
ON
PREV BUS
PWR BUSPWR BUS
Backbone 3
Backbone 1
Backbone 2
Consumption
Operating Temperature
24 Vdc
on standby
activated
57 mA
62 mA
Power supply
REF. 3248
MADE IN SPAIN
B
B
BB
B
B
FAULT
FAULT
ON
ON
TRONCAL
BUS IN
DERIVADOR DE TRONCALES BUS-2
BUS-2 RISER SWITCHER
CONNECT
DO NOT
RISER
RISER
TRONCAL
NO CONECTAR
4
2
3
1
5
5
Entrance
BUS
Backbone active, all
signals transmitted
(audio, video, data
and power supply).
Backbone on
standby.
Only transmits
data and
power supply.
Basic operation
REF. 3248
MADE IN SPAIN
B
B
BB
B
B
FAULT
FAULT
ON
ON
TRONCAL
BUS IN
DERIVADOR DE TRONCALES BUS-2
BUS-2 RISER SWITCHER
CONNECT
DO NOT
RISER
RISER
TRONCAL
NO CONECTAR
Dimensions (Height x Width x Depth) 86 x 89 x 26 mm // 3.4 x 3.5 x 1”
-0 , +50 °C // 32, +122ºF

Related product manuals