EasyManua.ls Logo

Fibocom L831-EAU-01 - Module Reset

Fibocom L831-EAU-01
39 pages
Print Icon
To Next Page IconTo Next Page
To Next Page IconTo Next Page
To Previous Page IconTo Previous Page
To Previous Page IconTo Previous Page
Loading...
Reproduction forbidden without Fibocom Wireless Inc. written authorization - All Rights Reserved.
L831-EAU-01 Hardware User Manual Page
22
of
39
Figure 3-11 Recommended Timing of Host Reboot Module in the case of Battery-powered
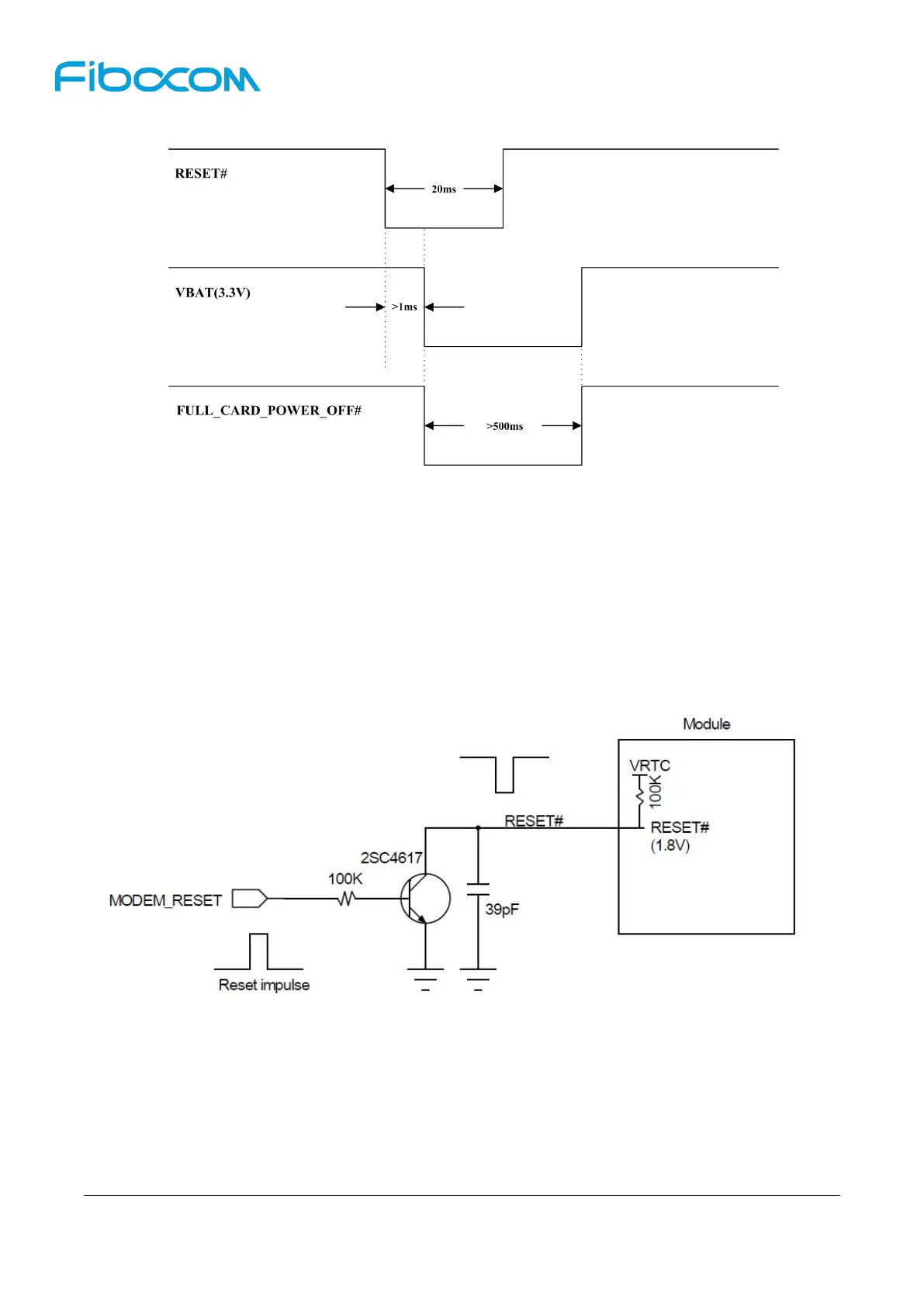
3.3.4 Module Reset
The L831-EAU module can reset to its initial status by pulling down the RESET# signal for more than
20ms (100ms is recommended), and the module will restart after the RESET# signal is released. When
the customer executes RESET# function, the PMU remains its power inside the module. The
recommended circuit design is shown in the Figure 3-12:
3- 12 Recommended Design for Reset Circuit
The reset control timing is shown in Figure 3-10:

Related product manuals