EasyManua.ls Logo

Fimer PVS-100-TL B2 - Inverter External View

Fimer PVS-100-TL B2
136 pages
Print Icon
To Next Page IconTo Next Page
To Next Page IconTo Next Page
To Previous Page IconTo Previous Page
To Previous Page IconTo Previous Page
Loading...
EN
17
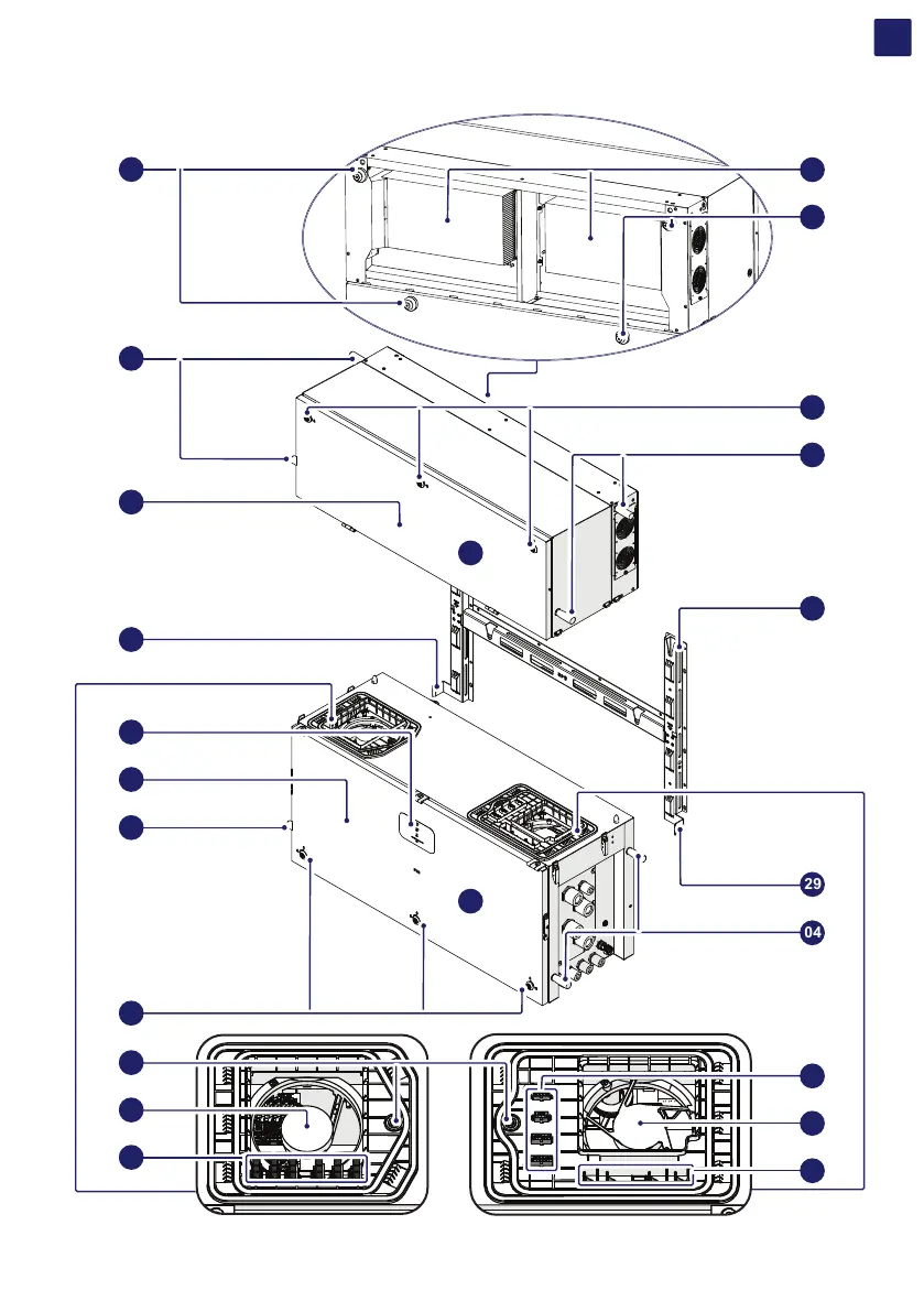
3.4.1 Inverter external view
04
04
29
05
03
01
02
04
07
08
05
54
29
04
50
61
51
30
61
32
64
13
52

Table of Contents

Other manuals for Fimer PVS-100-TL B2

Related product manuals