EasyManua.ls Logo

Fimer PVS-100-TL B2 - Communication and Control Board

Fimer PVS-100-TL B2
136 pages
Print Icon
To Next Page IconTo Next Page
To Next Page IconTo Next Page
To Previous Page IconTo Previous Page
To Previous Page IconTo Previous Page
Loading...
EN
22
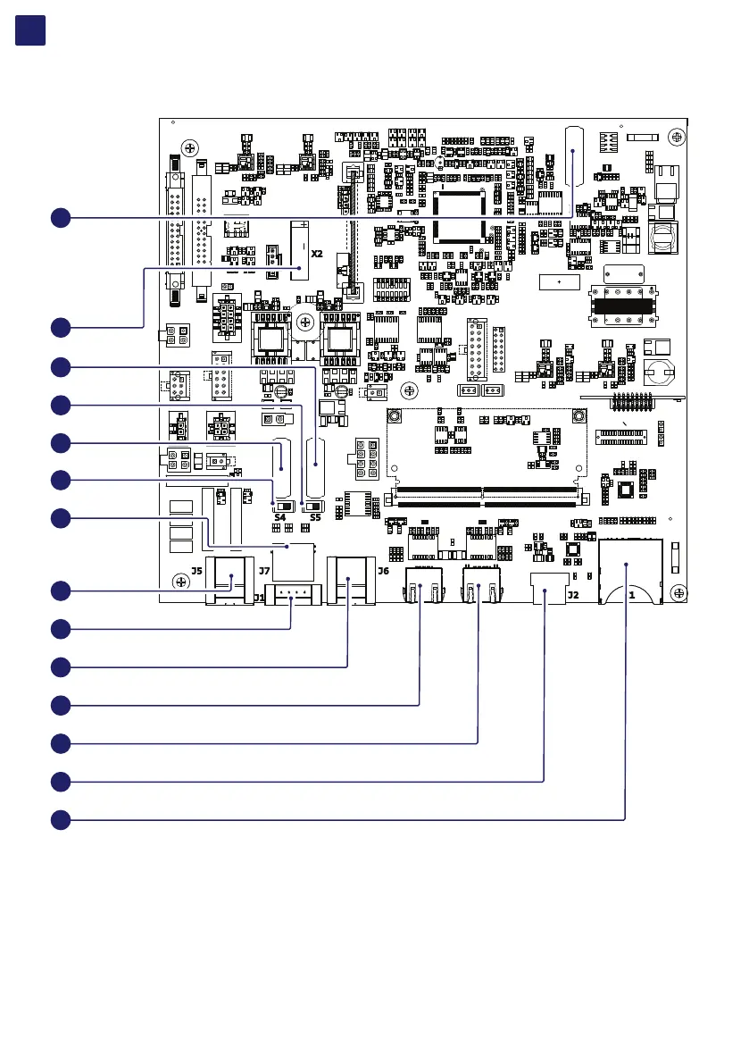
3.4.6 Communication and control board
J2 X1
X2
S5S4
J7
J1
J5 J6
1
2
1
8
7
432
34
35
45
44
46
42
41
40
39
38
37
33
36
43

Table of Contents

Other manuals for Fimer PVS-100-TL B2

Related product manuals