EasyManua.ls Logo

Fincor 2602 - Logic Connection Diagram, Run-Stop-Jog; Switch, 1;6 - 2 HP; Logic Connection Diagram, Forward-Reverse

Default Icon
51 pages
Print Icon
To Next Page IconTo Next Page
To Next Page IconTo Next Page
To Previous Page IconTo Previous Page
To Previous Page IconTo Previous Page
Loading...
BOOK0795-F
9
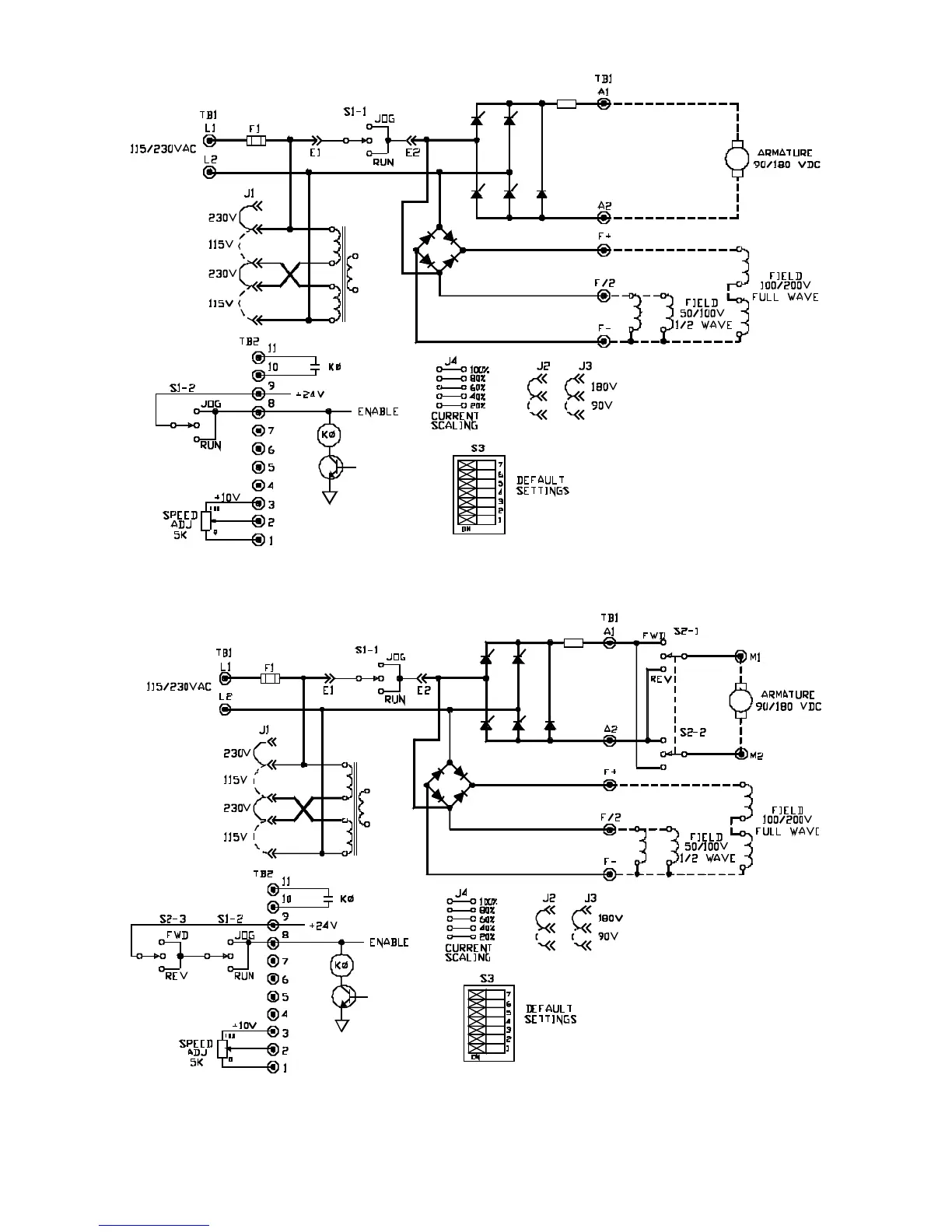
FIGURE 4. LOGIC CONNECTION DIAGRAM, RUN-STOP-JOG SWITCH, 1/6 - 2 HP
FIGURE 5. LOGIC CONNECTION DIAGRAM, FORWARD-REVERSE SWITCH AND RUN-STOP-JOG
SWITCH, 1/6 - 2 HP

Table of Contents

Related product manuals