EasyManua.ls Logo

Fincor 2602 - Signal Connection Diagram, 4 - 20 Ma Interface; Signal Connection Diagram, 2-Wire Transducer; Signal Connection Diagram, Line Starting Without

Default Icon
51 pages
Print Icon
To Next Page IconTo Next Page
To Next Page IconTo Next Page
To Previous Page IconTo Previous Page
To Previous Page IconTo Previous Page
Loading...
BOOK0795-F
13
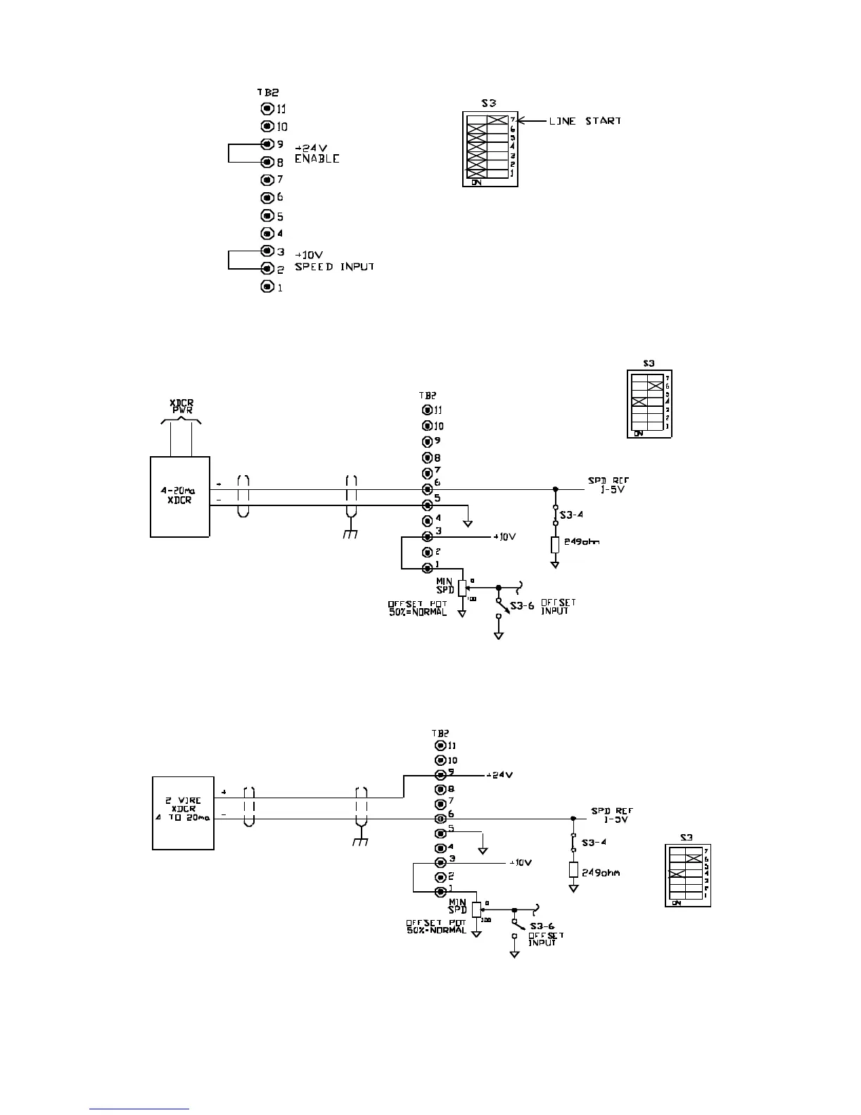
FIGURE 13. SIGNAL CONNECTION DIAGRAM, LINE STARTING WITHOUT A MOTOR SPEED
POTENTIOMETER
FIGURE 14. SIGNAL CONNECTION DIAGRAM, 4 - 20 mA INTERFACE
FIGURE 15. SIGNAL CONNECTION DIAGRAM, 2-WIRE TRANSDUCER

Table of Contents

Related product manuals