EasyManua.ls Logo

Fincor 2602 - Page 45

Default Icon
51 pages
Print Icon
To Next Page IconTo Next Page
To Next Page IconTo Next Page
To Previous Page IconTo Previous Page
To Previous Page IconTo Previous Page
Loading...
BOOK0795-F
40
C1061676
Rev. B
249
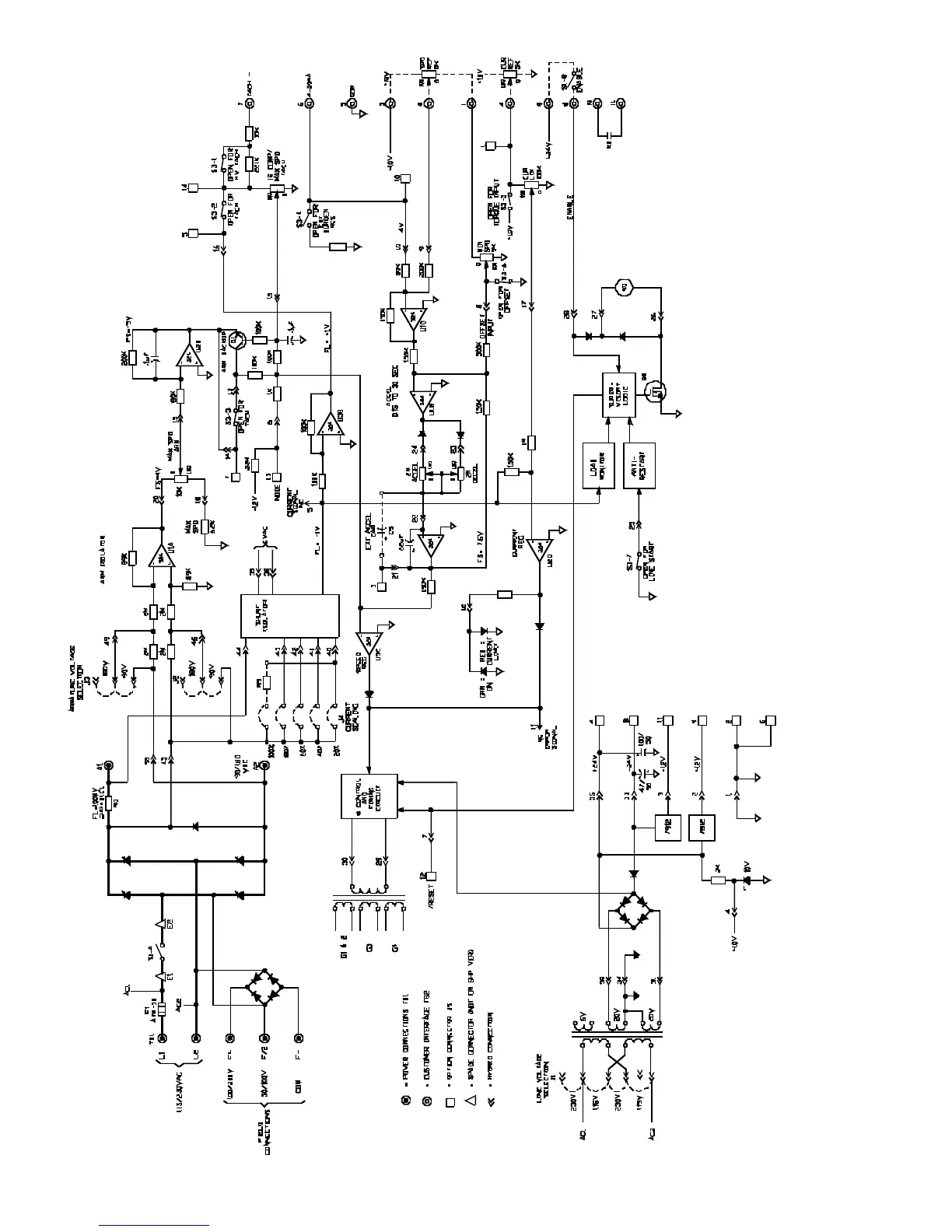
FIGURE 19. FUNCTIONAL SCHEMATIC, SERIES 2600/2610

Table of Contents

Related product manuals