EasyManua.ls Logo

Flow 94K HYPERPRESSURE - Page 22

Default Icon
82 pages
Print Icon
To Next Page IconTo Next Page
To Next Page IconTo Next Page
To Previous Page IconTo Previous Page
To Previous Page IconTo Previous Page
Loading...
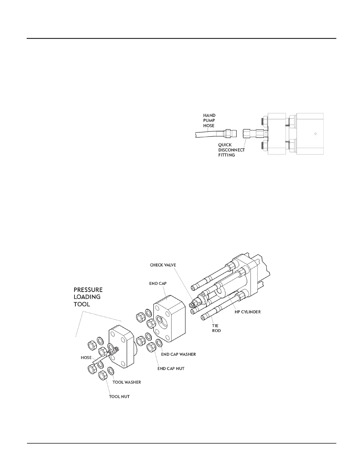
10. Using the ratchet and socket, back off the tool nuts
exactly one full turn.
CAUTION
Failure to properly back off the tool nuts will
make it impossible to remove the tool from the
tie rod, and could damage the intensifier.
11. Close the hand pump pressure-release valve by turn
-
ing the valve handle clockwise until tight.
12. Pump the tool to the 9200 psi (634 bar) mark on the
pressure gauge.
Note: It will take 60–70 pumps before pressure will
begin to build.
13. Wait 10 seconds, then recheck the gauge. If the nee
-
dle falls off the mark, retighten the pump pressure
relief valve and bring pressure back up to the
9200 psi (634 bar) mark.
14. Loosen the four end cap nuts and back off two full
turns.
15. Bleed off the tool pressure by opening the pump
pressure-release valve.
16. Remove the hand pump hose from the tool at the
quick-disconnect fitting.
Note: On some tool models the hand pump hose
does not have a quick-disconnect fitting. If this is the
case, leave the hose attached to the tool at all times
to prevent leaking.
17. Remove the pressure loading tool nuts and washers,
then remove the tool.
18. Remove the end cap nuts and washers.
22 | M-376 © Flow International Corporation
94K HYPERPRESSURE INTENSIFIER

Table of Contents

Related product manuals