EasyManua.ls Logo

Fluke CombiScope PM3370B - B.2.3 DISPLAY Menu

Fluke CombiScope PM3370B
297 pages
Print Icon
To Next Page IconTo Next Page
To Next Page IconTo Next Page
To Previous Page IconTo Previous Page
To Previous Page IconTo Previous Page
Loading...
CROSS REFERENCES B - 5
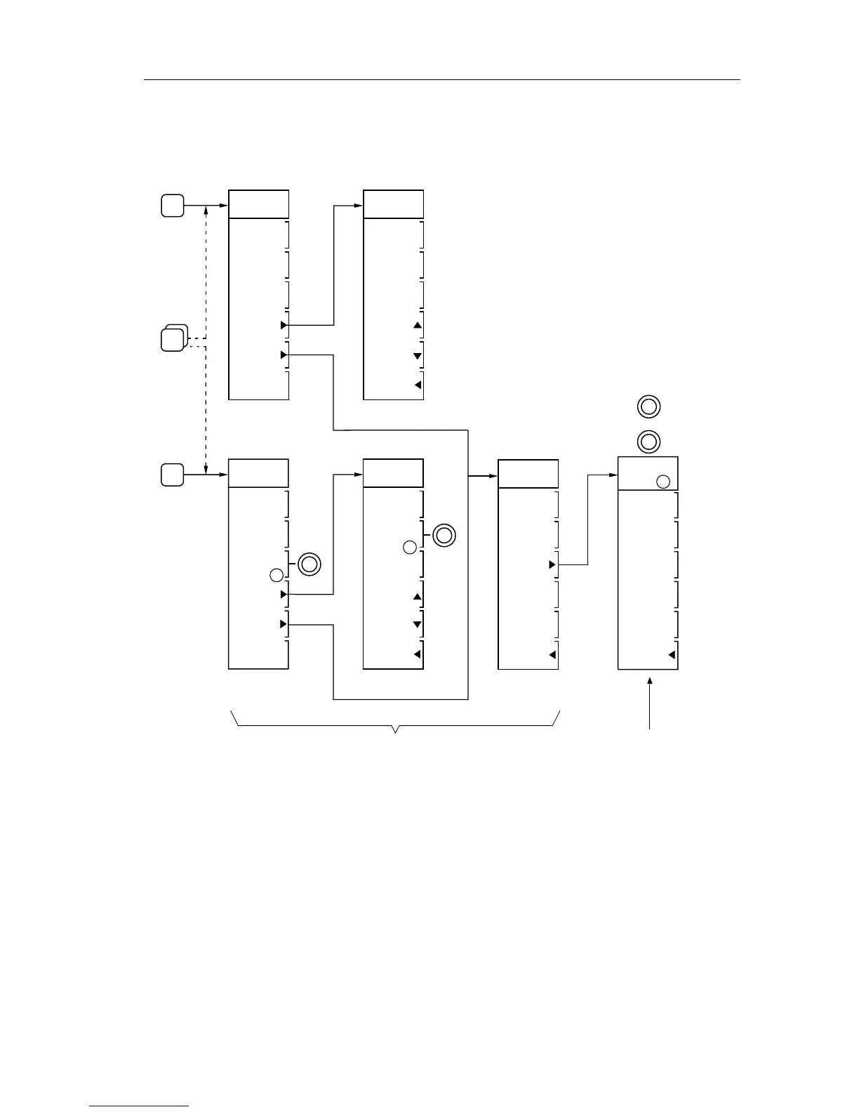
B.2.3 DISPLAY menu
XvsY
TEXT
EDIT
USER
TEXT
ST7084
RCL/SAV
SYST:SET
DISP:WIND2:TEXT:DATA
DISP:WIND2:TEXT:CLE
DISP:WIND2:TEXT:STAT
DISPLAY
X-DEFL
on off
RETURN
RETURN
RETURN ENTER
DISPLAY
DISPLAY
ANALOG MODE:
X-DEFL
TEXT
X-SOURCE
ch1
ch2
ch3
ch4
line
DISPLAY
XvsY
TEXT
ANALOG
DIGITAL MODE:
WINDOWS
on off
VERT
MAGNIFY
off
dots
lineair
sine
on off
REGISTER
acq
m1
m2
X SOURCE
m3.1
m3.2
m3.3
TRACK
TRACK
TRIG IND
on off
GND IND
on off
USER
TEXT
USE: for Position
for Character
on off
space
delete
insert
TRACK
T
T
T
Notes: - ch3 is not applicable for PM33x0B.
- ext instead of ch4 for PM33x0B.

Table of Contents

Related product manuals