EasyManua.ls Logo

Fluke CombiScope PM3370B - B.2.4 MATHPLUS MATH Menu

Fluke CombiScope PM3370B
297 pages
Print Icon
To Next Page IconTo Next Page
To Next Page IconTo Next Page
To Previous Page IconTo Previous Page
To Previous Page IconTo Previous Page
Loading...
B - 6 CROSS REFERENCES
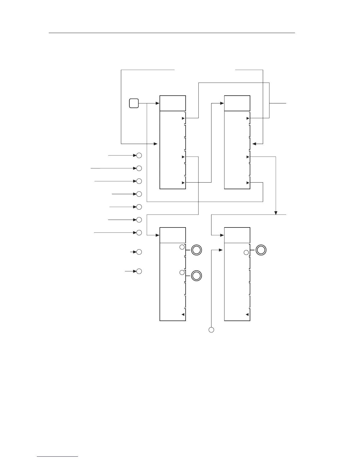
B.2.4 MATHPLUS MATH menu
MATH
MATH
PLUS
MATH
PLUS
MATH
SCALE
MATH
FILTER
PARAM
MATH 1 MATH 2
1 DIV=
21.3mU
WINDOW
31
samples
auto-
scale
OFFSET
26.8mU
m1=
ch1
ch2
m2=
filter
acq
SCALE
0
PARAM
DISPLAY
SOURCE
yes no
DISPLAY
SOURCE
yes no
MATH 2
RETURN RETURN
MATH 1
on off on off
ST7434
T
6
1
5
3
7
2
6
4
8
9
T
TRACK TRACK
CALC :MATH:STAT
CALC :FILT:FREQ:STAT
CALC :TRAN:HIST:STAT
CALC :DIFF:STAT
CALC :DIFF:POIN
CALC :INT:STAT
CALC :FILT:FREQ:POIN
CALC :TRAN:FREQ:STAT
CALC :TRAN:FREQ:WIND
RECT
HAMM
HANN
ABS
REL
CALC :TRAN:FREQ:TYPE
Other functions with RCL/SAV
and SYST:SET
1
2
1
2
1
2
1
2
1
2
1
2
1
2
1
2
1
2
1
2
ON
OFF

Table of Contents

Related product manuals