EasyManua.ls Logo

Fluke CombiScope PM3370B - B.2.10 TRIGGER Menu

Fluke CombiScope PM3370B
297 pages
Print Icon
To Next Page IconTo Next Page
To Next Page IconTo Next Page
To Previous Page IconTo Previous Page
To Previous Page IconTo Previous Page
Loading...
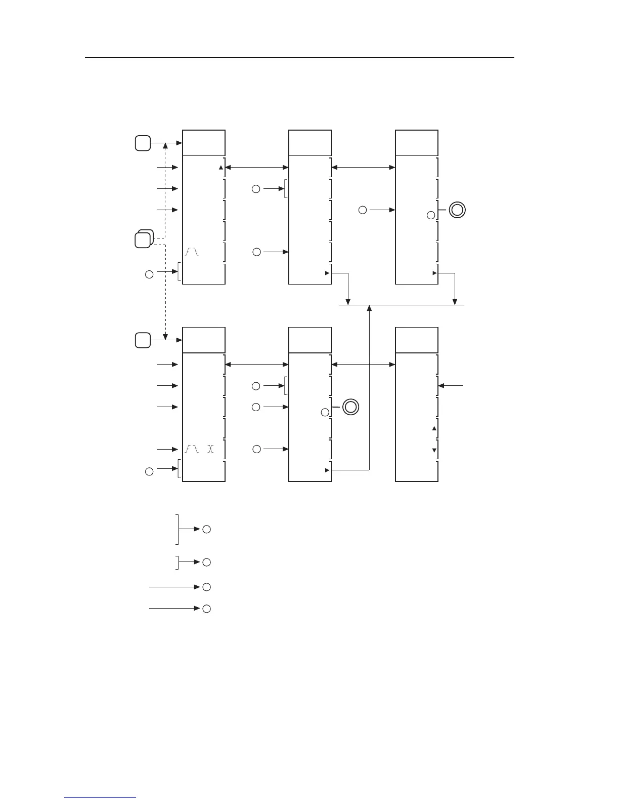
B - 12 CROSS REFERENCES
B.2.10 TRIGGER menu
TRIGGER
MAIN TB
TRIGGER
MAIN TB
TRIGGER
MAIN TB
TRIGGER
MAIN TB
TRIGGER
MAIN TB
TRIGGER
MAIN TB
TRIGGER
TRIGGER
TRACK
TRACK
ANALOG
TRIG:TYPE
TRIG:TYPE
TRIG:LEV:AUTO
TRIG:LEV:AUTO
T
RIG:SOUR
LINE
INT3
T
RIG:SOUR
LINE
INT3
TRIG:SLOP
NEG
EITH
POS
edge tv
edge tv
logic
edge tv
edge tv
logic
edge tv
edge tv
logic
ch3
line
ch3
line
field 1
field 2
lines
field 1
field 2
lines
field 1
field 2
lines
state
pattern
glitch
32
32
LINE NBR
LINE NBR
CLOCK
ch1
ch2
ch3
ch4
LHH
level-pp
on off
level-pp
on off
noise
on off
noise
on off
pos negpos neg
pos neg
ac dc
lf-rej
hf-rej
ac dc
lf-rej
hf-rej
VIDEO
SYSTEM
hdtv
VIDEO
SYSTEM
hdtv
VIDEO
SYSTEM
hdtv
1
1
4
4
2
2
T
T
TRIG:FILT:LPAS:
TRIG:VID:FIEL:
TRIG:VID:LINE:
TRIG:VID:SSIG:
TRIG:FILT:HPAS:
STAT
FREQ
STAT
FREQ
SEL
NUMB
1
2
3
4
3
3
DIGITAL MODE:
ANALOG MODE:
ST7437
Notes: - ch3 is not applicable for PM33x0B.
- ext instead of ch4 for PM33x0B.
- GLITch can be programmed as trigger type (TRIGger:TYPE) instead
of LOGic for PM33x0B.

Table of Contents

Related product manuals