EasyManua.ls Logo

Fostex LM16 - Core Mixer Operations; Signal Flow Explained

Fostex LM16
48 pages
Print Icon
To Next Page IconTo Next Page
To Next Page IconTo Next Page
To Previous Page IconTo Previous Page
To Previous Page IconTo Previous Page
Loading...
27
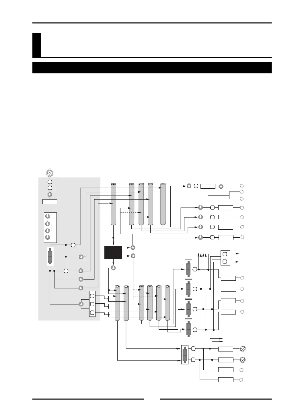
Model LM16 [Mixer basics]
Signal flow of the mixer
Mixer basics
A mixer accepts audio signals and modifies them, then mixes them.
The following diagram shows how the input signals flow through the mixer section of the LM16.
As the diagram indicates, an analog signal from the [INPUT] connector is level-adjusted by the
[TRIM] control and converted to digital, then sent to the channel fader via the EQ.
After the channel fader, the pan control adjusts the left and right (or odd and even) balance of
signal sent to stereo left and right busses (or odd and even group busses).
Then the stereo signal is finally level-adjusted by the [STEREO] fader and output from the [STE-
REO OUT (L, R)] connectors.
A buss sums signals and mixes them. In the diagram below, busses are shown as pipes.
The LM16 provides the following eleven busses: stereo busses (L, R), group busses (1, 2, 3, 4), AUX
busses (1, 2, 3), effect buss and solo buss. Each buss sums signals. The mixed signal may be D/A
converted and fed to an external device, or directly fed to the internal effects.
Internal
Effector
A/D
ST
1-2
3-4
TRIM
INPUT
EFF
AUX1
AUX2 AUX3
LO
HIGH
MID
PRE/POST
AUX1
AUX2
AUX3
EFF
PAN
SOLO
L
R
12
3
4
STEREO
GROUP
AUX SEND 1
AUX SEND 2
AUX SEND 3
MONITOR
PHONES
PHONES
MONITOR
L
R
AUX SEND 1
AUX SEND 2
AUX SEND 3
1
2
3
4
STEREO OUT
L
R
GROUP OUT
D/A
D/A
D/A
D/A
D/A
D/A
D/A
D/A
L
R
STEREO MIX OUT
D/A
D/A
D/A
D/A
EFFECT TO AUX (1, 2, 3)
EFFECT TO GROUP (1, 2, 3)
EFFECT
TO STEREO
SOLO
EQ
STEREO FADER
GROUP FADER (1, 2, 3, 4)
TO MONITOR OUT
PHONES
L
R
TO STEREO BUS
TO MONITOR OUT
PHONES
EFF SEND
EFF SEND
D/A
LOW CUT
LIMITER
OUTPUT
LIMITER
OUTPUT
LIMITER
OUTPUT
LIMITER
OUTPUT LIMITER

Table of Contents

Related product manuals