EasyManua.ls Logo

Fostex LM16 - Mixer Block Diagram

Fostex LM16
48 pages
Print Icon
To Next Page IconTo Next Page
To Next Page IconTo Next Page
To Previous Page IconTo Previous Page
To Previous Page IconTo Previous Page
Loading...
35
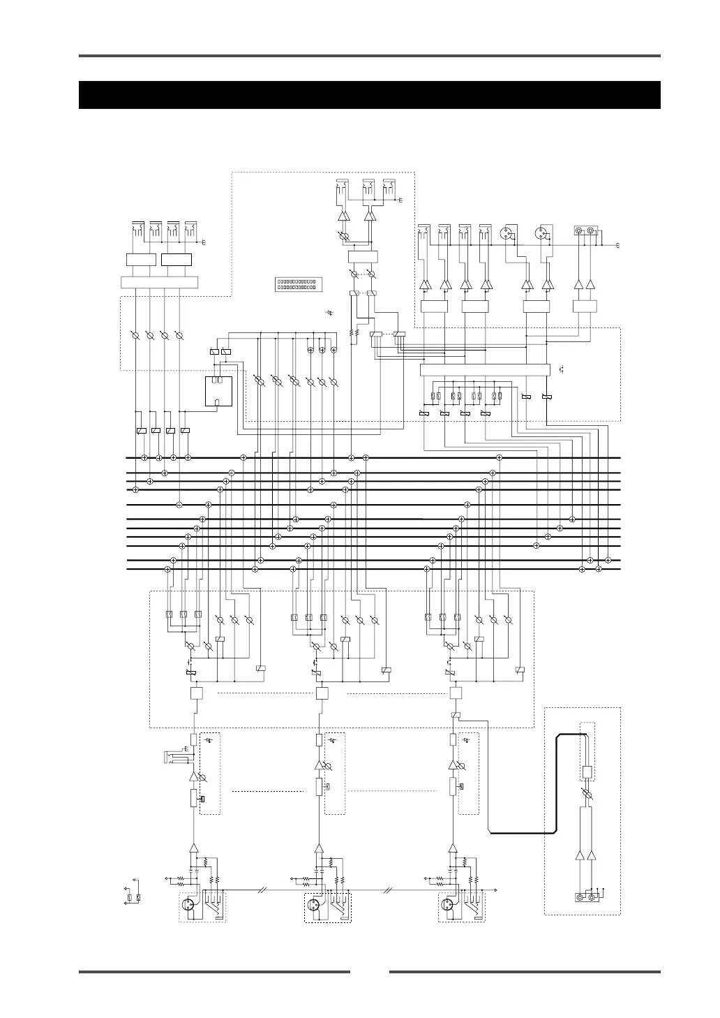
Model LM16 [Mixer basics]
BA
SUB IN
A/D
- ~ +20dB
(-10dBV)
BA
BA
GND
- ~ +10dB
FDR
FDR
- ~ +10dB
FDR
FDR
GROUP3
GROUP4
FDR
GROUP2
TO ST
FDR
GROUP1
MONITOR SW
LR/12/34/EFF
- ~ +10dB
EFF RTN L-R
EFFECT
EFF SEND
AUX SEND3
AUX SEND2
AUX SEND1
- ~ +10dB
DA
DA
AUX SEND1
AUX SEND2
AUX SEND3
EFF SEND
(-2dBu)
ST
L
R
1
2
3
4
1
2
3
EFF
AUX
GROUP
SOLO
SOLO
SOLO
SOLO
SOLO
LEVEL
L
R
SOLO
PHONES VOL
DA
SOLO
2
1
BA
BA
BA
R
L
MONITOR OUT
(-12dBV)
PHONES
GROUP OUT
(+4dBu)
DA
DA
DA
L
R
1
2
3
4
BA
BA
BA
BA
BA
BA
BA
BA
BA
BA
BA
BA
BA
DA
BA
ST MIX OUT
(-10dBV)
1
2
34
1
2
34
GROUP1-2 ON/OFF
1
2
34
GROUP3-4 ON/OFF
AUX 1
AUX 2
AUX 3
- ~ +10dB
PRE/POST
SOLO
CH1 EFF
MUTE
- ~ +10dB
1
2
34
1
2
34
GROUP1-2 ON/OFF
1
2
34
GROUP3-4 ON/OFF
CH16 EFF
PRE/POST
- ~ +10dB
MUTE
AUX 1
AUX 2
AUX 3
- ~ +10dB
SOLO
INPUT
EQ
H: 12kHz
M: 100-8kHz
L: 80Hz
+/-18dB
INPUT
EQ
H: 12kHz
M: 100-8kHz
L: 80Hz
+/-18dB
A/D
TIP: SEND
RING: RETURN
INSERT
2
1
PEAK
(LIMITER)
BA
Low Cut Filter
80Hz, -12dB/oct
MIC1: -60 ~ -35dBu
MIC2: -37 ~ -12dBu
LINE1: -40 ~ -15dBu (37.8 ~ -12.8dBV)
LINE2: -17 ~ +8dBu (-14.8 ~ +10.2dBV)
TRIM
BAL
GAIN1: +28dB
GAIN2: +5dB
+
+
P48 (1-8)
MIC
LINE
P48 (9-16)
MIC
LINE
BAL
+
+
TRIM
BA
A/D
2
1
PEAK
Low Cut Filter
80Hz, -12dB/oct
(LIMITER)
A+48V
P48V (1-8)
P48V (9-16)
ON/OFF
ON/OFF
STEREO OUT (+4dBu)
INPUT 1~8
INPUT 15~16
SUB IN
EFF RTN 1-2
EFF RTN 3-4
EFF RTN AUX1
EFF RTN AUX2
EFF RTN AUX3
MONITOR VOL
TO ST
TO ST
TO ST
ST OUT L
ST OUT R
OUTPUT LIMITER
ON/OFF
SUB IN
SUB IN
SUB IN
VOL IC
VOL IC
INPUT/SUB IN
CH1-8 FADER
CH15-16 FADER
CH1 PAN
CH16 PAN
ST BUS ON/OFF
ST BUS ON/OFF
ATT: -20dB
ATT: -20dB
LIMITER
LIMITER
L
R
INTERNAL
EFFECT
ON/OFF
1
2
34
1
2
34
GROUP1-2 ON/OFF
1
2
34
GROUP3-4 ON/OFF
CH16 EFF
PRE/POST
- ~ +10dB
MUTE
AUX 1
AUX 2
AUX 3
- ~ +10dB
SOLO
INPUT
EQ
H: 12kHz
M: 100-8kHz
L: 80Hz
+/-18dB
P48 (9-16)
MIC
LINE
BAL
+
+
TRIM
BA
A/D
2
1
PEAK
Low Cut Filter
80Hz, -12dB/oct
(LIMITER)
INPUT 9~14
VOL IC
CH9-14 FADER CH16 PAN
ST BUS ON/OFF
ATT: -20dB
MIC1: -60 ~ -35dBu
MIC2: -37 ~ -12dBu
LINE1: -40 ~ -15dBu (37.8 ~ -12.8dBV)
LINE2: -17 ~ +8dBu (-14.8 ~ +10.2dBV)
MIC1: -60 ~ -35dBu
MIC2: -37 ~ -12dBu
LINE1: -40 ~ -15dBu (37.8 ~ -12.8dBV)
LINE2: -17 ~ +8dBu (-14.8 ~ +10.2dBV)
Block diagram

Table of Contents

Related product manuals