EasyManua.ls Logo

Frick SGXH-4021 - Page 11

Frick SGXH-4021
46 pages
Print Icon
To Next Page IconTo Next Page
To Next Page IconTo Next Page
To Previous Page IconTo Previous Page
To Previous Page IconTo Previous Page
Loading...
070.650-IOM (JUL 19)
Page 11
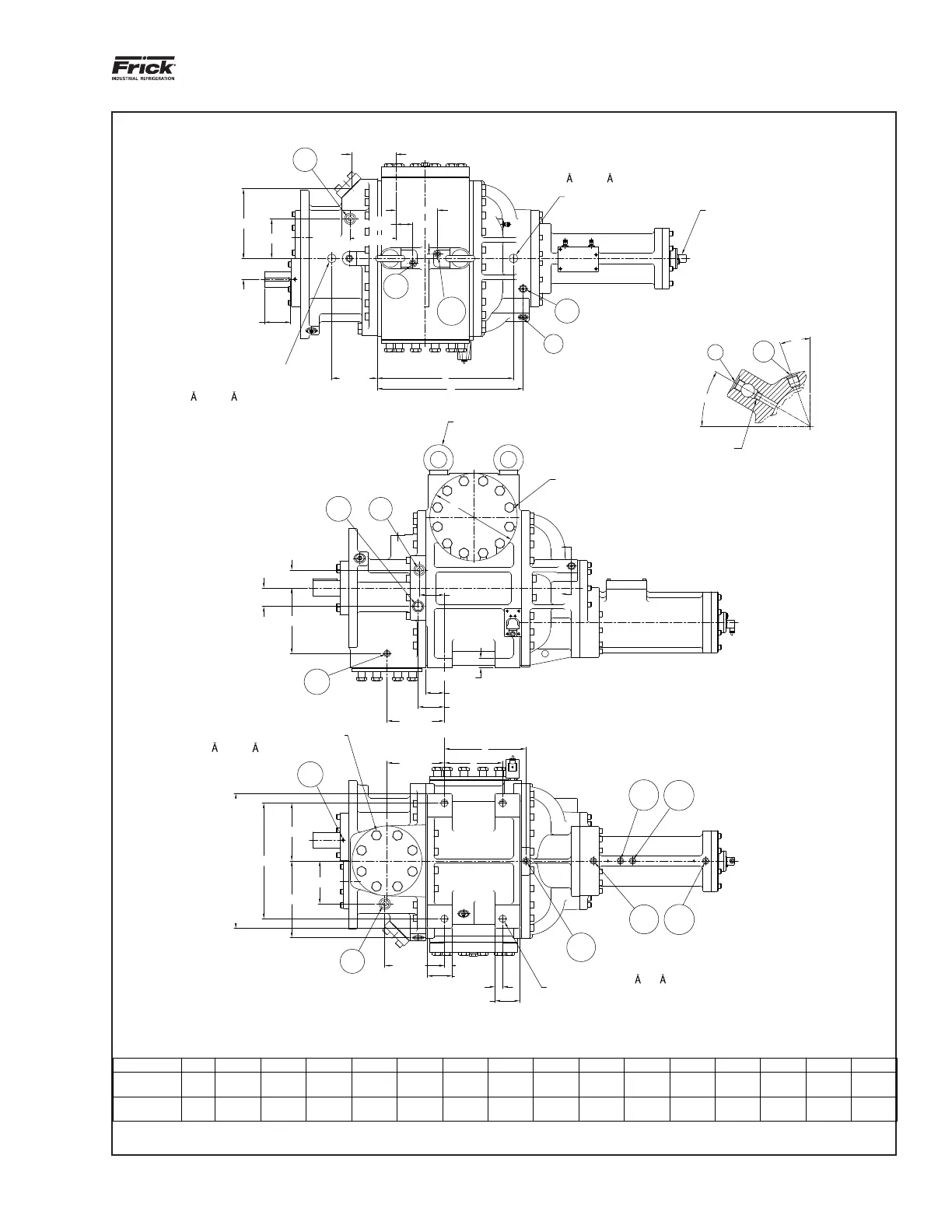
SGC/SGX ROTARY SCREW COMPRESSOR
INSTALLATION
Figure 3: Port locations, SGC 1913/1918 (continued)
238.3 [9.38]
90.4 [3.56]
67.1 [2.64]
65.0 [2.56]
155.7 [6.13]
490.2 [19.30]
420.1 [16.54]
278.6 [10.97]
210.1 [8.27]
SC-7
SC-6
216.2 [8.51]
89.9 [3.54]
28.2 [1.11]
SC-8
89.9 [3.54]
28.1 [1.11]
SC-9
SC-13
SC-13
208.1 [8.19]
B
A
208.1 [8.19]
95.0 [3.74]
68.1 [2.68]
35.1 [1.38]
C MOUNTING HOLE
L
SC-13
SC-13
SL-2
Ă
16.0 [.63]
TYP
SB-3
ĂJ
SC-14
SC-5
151.1 [5.95]
60.7 [2.39]
SD-1
C MOUNTING HOLE
L
R
SB-2
P
30Ā
20Ā
SB-2
P
143.8 [5.66]
253.5 [9.98]
75.7 [2.98]
95.3 [3.75]
F
165.1 [6.50]
166.7 [6.56]
161.8 [6.37]
A
A
SECTION A-A
SCALE 1:2
211.8
SGC1918 1.80
[8.34]
COMPRESSOR
SGC1913 1.35
L/D
[4.92]
125.0
A
1532.1992.4494.5
296.0
584.2 105.9 609.6
[24.00][11.65] [23.00] [4.17] [39.07][19.47] [60.32]
571.5
[22.50]
209.1
[8.23]
B
558.8
[22.00]
C
62.5
[2.46]
D E
[35.65][16.05]
407.6
F
905.5
G
[56.90]
1445.3
H
241.3 257.3706.1
269.7152.4317.5
[10.62][12.50] [9.50] [6.00] [27.80] [10.13]
235.0
[9.25]
279.4
[11.00]
J
[8.50]
215.9
K
127.0
[5.00]
L
[26.30]
M
668.0
N
[9.38]
238.3
P
529.6
[20.85]
[17.43]
442.7
R
MOUNTING HOLE
MOUNTING HOLE
SUCTION FLANGE SIZE "L" CLASS
300 ANSI FLANGE M20 X 2.5
38.1 [1.50] DP
12 PL
EQ SPACED ON A "M" B.C.
M30 EYEBOLT FOR LIFTING
(USE 2 SHOWN WHEN
MOUNTING COMPRESSOR
SLIDE VALVE LINEAR
TRANSMITTER
DISCHARGE FLANGE 4 IN. CLASS
300 ANSI FLANGE M20 X 2.5-6H
31.8 [1.25] DP 8PL EQ SPACED
ON A 200.2 [ 7.88] B.C.
TRANSDUCER MOUNT-
ING SPOTFACE
31.75 [ 1.25]
1.52 [.06] DP
1/4-28 UN-2B
12.7 [.50] DP
TRANSDUCER MOUNT-
ING SPOTFACE
31.75 [ 1.25]
1.52 [.06] DP
1/4-28 UN-2B
12.7 [.50] DP
MOUNTING HOLE 26 [ 1.02]
THRU 4 PL
SECTION A-A
SCALE 1:2
211.8
SGC1918 1.80
[8.34]
COMPRESSOR
SGC1913 1.35
L/D
[4.92]
125.0
A
1532.1992.4494.5
296.0
584.2 105.9 609.6
[24.00][11.65] [23.00] [4.17] [39.07][19.47] [60.32]
571.5
[22.50]
209.1
[8.23]
B
558.8
[22.00]
C
62.5
[2.46] [35.65][16.05]
407.6
F
905.5
G
[56.90]
1445.3
H
241.3 257.3706.1
269.7152.4317.5
[10.62][12.50] [9.50] [6.00] [27.80] [10.13]
235.0
[9.25]
279.4
[11.00]
J
[8.50]
215.9
K
127.0
[5.00]
L
[26.30]
M
668.0
N
[9.38]
238.3
P
529.6
[20.85]
[17.43]
442.7
R
D E

Table of Contents

Related product manuals