EasyManua.ls Logo

Frick SGXH-4021 - SGC 2813;2817 Port Locations; Port Identification and Specifications

Frick SGXH-4021
46 pages
Print Icon
To Next Page IconTo Next Page
To Next Page IconTo Next Page
To Previous Page IconTo Previous Page
To Previous Page IconTo Previous Page
Loading...
070.650-IOM (JUL 19)
Page 16
SGC/SGX ROTARY SCREW COMPRESSOR
INSTALLATION
127 [5.00]
98.6 [3.88]
327.2 [12.88]
SC-6
314.5 [12.38]
91.2 [3.59]
SL-2
44.5 [1.75]
SB-3
ĂB
104.6 [4.12]
365.3 [14.38]
455.5 [17.93]
104.6 [4.12]
139.7 [5.50]
SE-1
198.6 [7.82]
341.9 [13.46]
111 [4.37]
254 [10.00]
SC-14
206.5 [8.13]
J
K
A
91.2 [3.59]
38.1 [1.50]
187.7 [7.39]
183.1 [7.21]
206 [8.11]
197.1 [7.76]
G H
SD-1
F
T
SC-5
P
SB-2
P
SB-2
W
12.7 [.50]
30Ā
12.7 [.50]
A
A
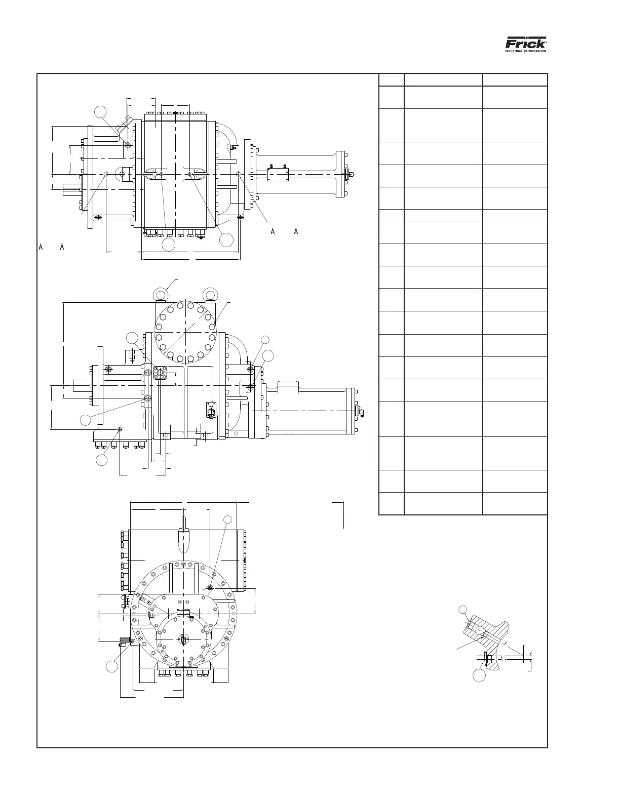
Figure 6: Port locations, SGC 2813/2817
Port Thread size (in.) Description
P
1 1/16-12 UN-2B
straight THD O-ring
Manifold block
pressure
SB-2
1 1/16-12 UN-2B
straight THD O-ring
Balance piston
and inlet bear-
ings
SB-3 1 1/14 square flange
Compressor oil
supply
SC-5
9/16-18 UNF-2B
straight THD O-ring
Inlet pressure
SC-6
9/16-18 UNF-2B
straight THD O-ring
Discharge pres-
sure
SC-7 1/8-27 NPTF Seal weepage
SC-8
1 5/16-12 UN-2B
straight THD O-ring
Closed thread
drain
SC-9
9/16-18 UNF-2B
straight THD O-ring
Inlet housing oil
drain
SC-13
9/16-18 UNF-2B
straight THD O-ring
Oil drain cylinder
SC-14
9/16-18 UNF-2B
straight THD O-ring
Liquid injection
bleed
SD-1
1 1/16-12 UN-2B
straight THD O-ring
Coalescer bleed
SE-1 1/2-14 NPTF
Electrical con-
nector
SL-1
1 5/16-12 UN-2B
straight THD O-ring
Low Vi liquid
injection
SL-2
1 5/16-12 UN-2B
straight THD O-ring
Hi Vi liquid injec-
tion
SM-1
1 5/16-12 UN-2B
straight THD O-ring
Main oil injection
SV-1 2 1/2 square ange
Vapor injection-
tongue and
groove
TE-1 3/4-14 NPTF
Suction gas tem-
perature element
T
3/4-16 UNF-2B
straight THD O-ring
Manifold block
tank
MOUNTING FOOTC
L
TRANSDUCER
MOUNTING
SPOTFACE
31.8 [ 1.25]
1.5 [.06] DP
1/4-28 UN-2B
12.7 [.50] DP
TRANSDUCER MOUNT-
ING SPOTFACE
31.8 [ 1.25]
1.5 [.06] DP
1/4-28 UN-2B
12.7 [.50] DP
SUCTION FLANGE SIZE "C" CLASS 300
ANSI FLANGE M22 X 2.5-6H THREAD (SGC2813)
38.1 [1.50] DP
M 24 X 3.0-6H THREAD (SGC2817)
44.5 [1.75] DP "D" PL
EQUALLY SPACED ON A "E" B.C.
M30 EYEBOLT FOR LIFTING (USE 2 SHOWN
WHEN MOUNTING COMPRESSOR
L
DISTANCE REQUIRED FOR
STRAINER REMOVAL
INSTALL A SOLID 1/2-14 NPTF PIPE
PLUG IN THIS LOCATION WHEN USING
PORT SB-2 FOR BALANCE PISTON AND
INLET BEARING SUPPLY.
DO NOT PLUG THIS PASSAGE IF PORT
SB-2 IS NOT PIPED. BLOCKING THIS
PASSAGE WHEN PORT SB-2 IS NOT
PIPED CAN RESULT IN A CATASTROPHIC
FAILURE DUE TO LACK OF OIL SUPPLIED
TO THE BALANCE PISTON AND INLET
BEARINGS.
SECTION A-A
SCALE 1:2
INLET END

Table of Contents

Related product manuals