EasyManua.ls Logo

Fronius Primo GEN24 3.0 Plus - Automatic Switch to Backup Power 2-Pin Single Separation - E.g. France, Spain; Circuit Diagram

Fronius Primo GEN24 3.0 Plus
160 pages
To Next Page IconTo Next Page
To Next Page IconTo Next Page
To Previous Page IconTo Previous Page
To Previous Page IconTo Previous Page
Loading...
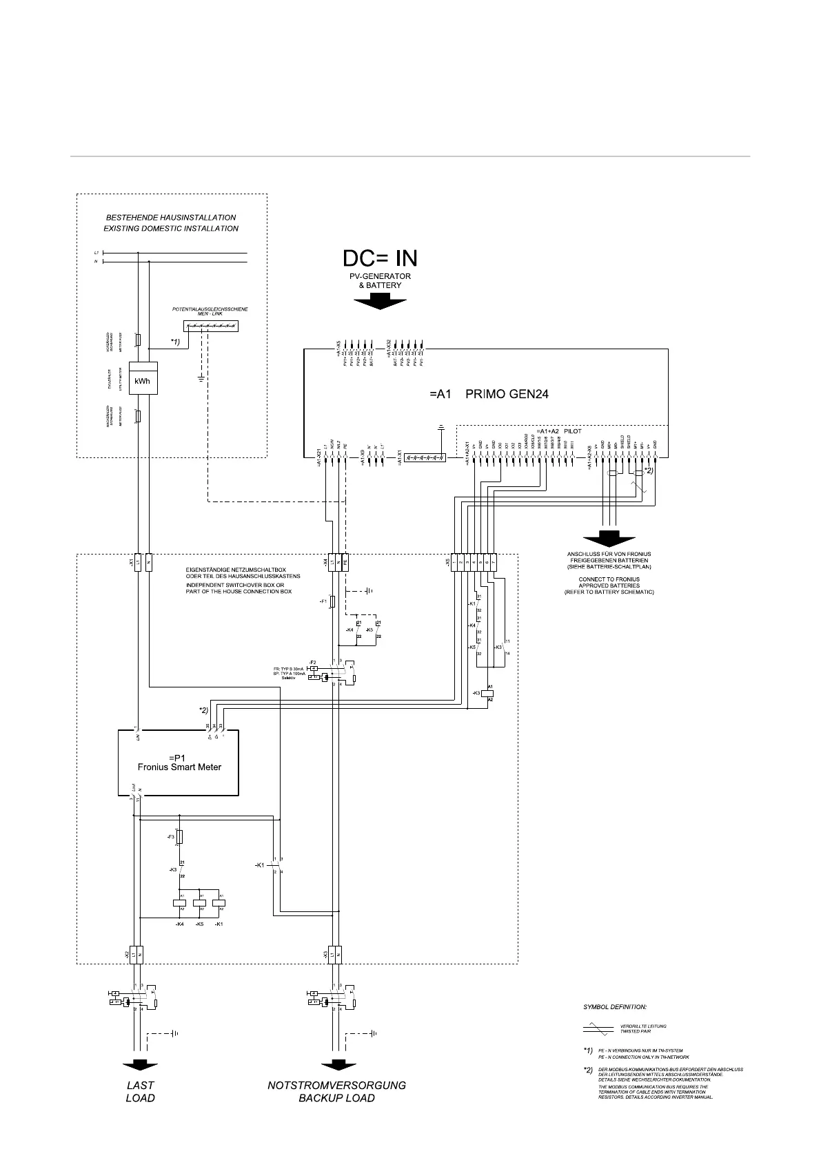
Automatic switch to backup power 2-pin single
separation - e.g. France, Spain
Circuit Diagram
150

Table of Contents

Related product manuals