EasyManua.ls Logo

Frontier SB1174 - Page 28

Frontier SB1174
56 pages
Print Icon
To Next Page IconTo Next Page
To Next Page IconTo Next Page
To Previous Page IconTo Previous Page
To Previous Page IconTo Previous Page
Loading...
ASSEMBLY
OM 0408SB1174-A
26
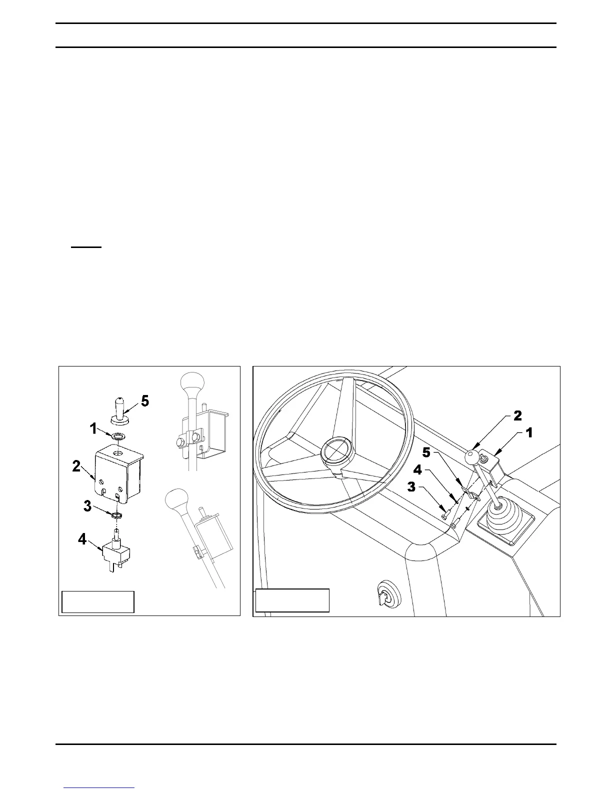
7. Figure 23: Insert the switch (item 4) in the
switchbox (item 2), secure with the two nuts
(items 1-3) provided with the switch, and
screw the rubber cap (item 5) in the order
shown on figure.
8. Figure 24: Place the switchbox (item 1) on
the lever so to get a comfortable working
position when the hand is on the knob and
secure with the switchbox clamp (item 5),
using two 1/4"NC x 3/4" bolts and two 1/4"
lockwashers (items 3-4) by placing the
clamp so to not block the switchbox lower
openings.
NOTE
: Tighten bolts just enough to attach
the switchbox to the lever solidly. DO NOT
TIGHTEN TOO MUCH to avoid deforming
the clamp.
9. Figure 21: Connect the ring terminal of the
ground wire (item 1) to a ground screw of the
vehicle.
10. Figure 21: Connect the fuse wire (item 3) to
the tractor switch wire using a tap connector
(item 5).
11. Figure 21: Connect the actuator double wire
(item 4) to the actuator (item 7).
12. Figure 21: Cover all wires with the loom
(item 6) and attach with tie wrap.
Figure 23
Figure 24

Related product manuals