EasyManua.ls Logo

Frymaster Dean Super Runner Series - Current Production Units with Honeywell Gas Valve (CE)

Frymaster Dean Super Runner Series
54 pages
Print Icon
To Next Page IconTo Next Page
To Next Page IconTo Next Page
To Previous Page IconTo Previous Page
To Previous Page IconTo Previous Page
Loading...
1-15
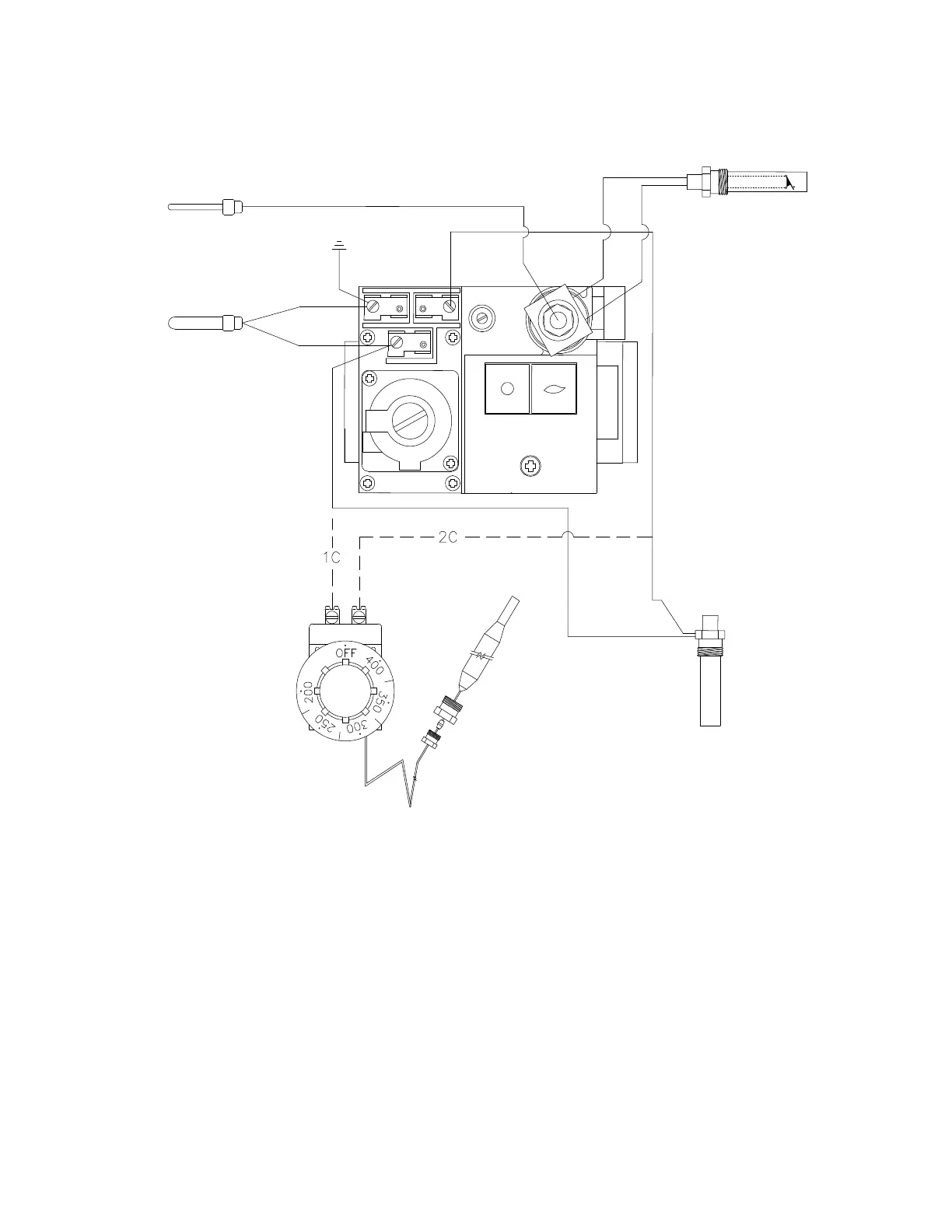
1.8.2 Current Production Units with Honeywell Gas Valve (CE)
FENWALL
OPERATING
THERMOSTAT
HIGH-LIMIT
THERMOSTAT
PILOT
THERMOCOUPLE
PILOT
GENERATOR
8050531A
ROBERTSHAW
OPERATING
THERMOSTAT
TH
TH
PP
PP

Related product manuals