EasyManua.ls Logo

Frymaster Dean Super Runner Series - UFF Filtration Wiring Diagram

Frymaster Dean Super Runner Series
54 pages
Print Icon
To Next Page IconTo Next Page
To Next Page IconTo Next Page
To Previous Page IconTo Previous Page
To Previous Page IconTo Previous Page
Loading...
1-17
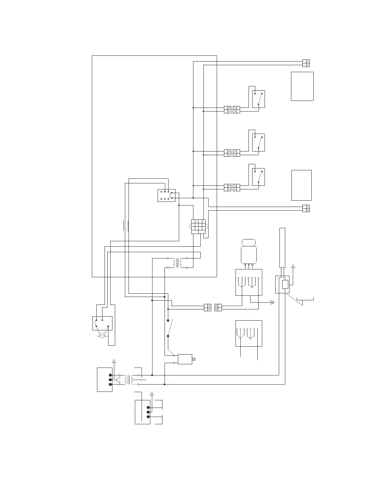
1.8.4 UFF Filtration Wiring Diagram
T3
P2
T8
HEAT TAPE - 25 WATT
P/N 810-2100
MOTOR
COVER PLATE P/N 807-3643
FUSE HOLDER P/N 807-1321
FUSE P/N 807-3592
LOW VOLTAGE SHOWN
BLK
WHT#1
P/N 807-3538
5 AMP-480V
JUCTION BOX P/N 807-3642
P1
BLK
J BOX
P1
HIGH VOLTAGE SHOWN
AMP
CONNECT
T2
P2
T3
T5
T4
T8
WHT#1
21
T2
T5
T4
120V W/OUT
XFORMER
BY-PASS SWITCH
BLK #2
BLK
CB
CIRCUIT BREAKER
7 AMP-120V
480V PRIM.
240V SEC.
H1
H3
H2
H4
21
ORG
WHT#2
24V
BLK
ORG
480VAC
SHOWN
REDRED
PUR
2
2
WHT
RH FRYER
OIL RETURN
1 2
RED
COM
OIL RETURN
LH FRYER
8" LONG LEADS
PN 807-1420
WHT
21
21
8" LONG LEADS
8" LONG LEADS
HOSE CONNECTION
OIL POLISHING
WHEN USED
NC
WHT
COM
NC
NO
RED
1 2
1 2
WHT
NO
1
1
WHT
21
COM
NC
RED
NO
BLK
BLU
T1
1
2
T2
34
P/N 810-1164
BLOCK
24V
NO
COM
36" LONG LEADS
230V FILTER CIRCUIT
230V FILTER CIRCUIT
P/N 807-3611
NC
R1
TRANSFORMER/RELAY ASSY
SCF OIL RETURN
POWER
P/N 807-2196
SWITCH
OPTIONAL
P/N 807-3577
FRYER(S)
WHEN USED
FROM RH
ADD ON ASSY
FRYER(S)
WHEN USED
ADD ON ASSY
FROM LEFT
SPST
WHT
WHT
YEL
YEL
75 VA TRANSFORMER
P/N 807-3773
WHT #2
WHT #2
BLK #2
FUSE
2 AMP
YEL
WHT
WHT
WHT
WHT
YEL
ORG
FOR CHANGE OF ROTATION INTERCHANGE
LEADS T5 AND T8 ON MOTOR
GRN
GRN
GRN
8051376A
OFF POSITION
SHOWN IN
MICROSWITCH
P/N 807-2104

Related product manuals