EasyManua.ls Logo

Fujitsu ARGA18FMTA - Page 40

Fujitsu ARGA18FMTA
128 pages
Print Icon
To Next Page IconTo Next Page
To Next Page IconTo Next Page
To Previous Page IconTo Previous Page
To Previous Page IconTo Previous Page
Loading...
- (02 - 04) -
OUTDOOR UNIT
AOGA18-25FBTAH
OUTDOOR UNIT
AOGA18-25FBTAH
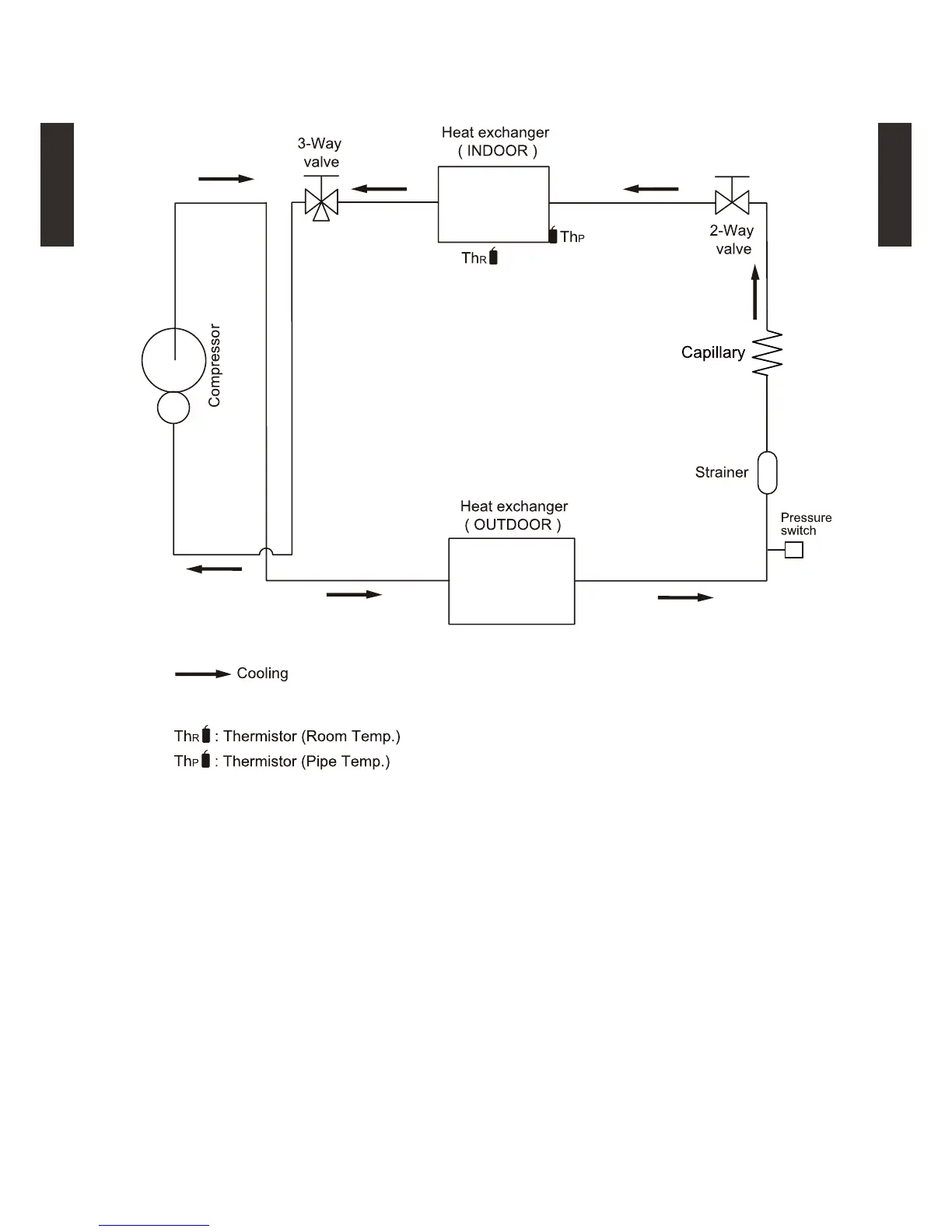
REFRIGERANT CIRCUIT3.
MODEL
: AOGA18FBTAH
Refrigerant pipe diameter
Liquid : 1/4" (6.35 mm)
Gas : 5/8" (15.88 mm)

Related product manuals