EasyManua.ls Logo

Fujitsu ARGA18FMTA - Page 43

Fujitsu ARGA18FMTA
128 pages
Print Icon
To Next Page IconTo Next Page
To Next Page IconTo Next Page
To Previous Page IconTo Previous Page
To Previous Page IconTo Previous Page
Loading...
- (02 - 07) -
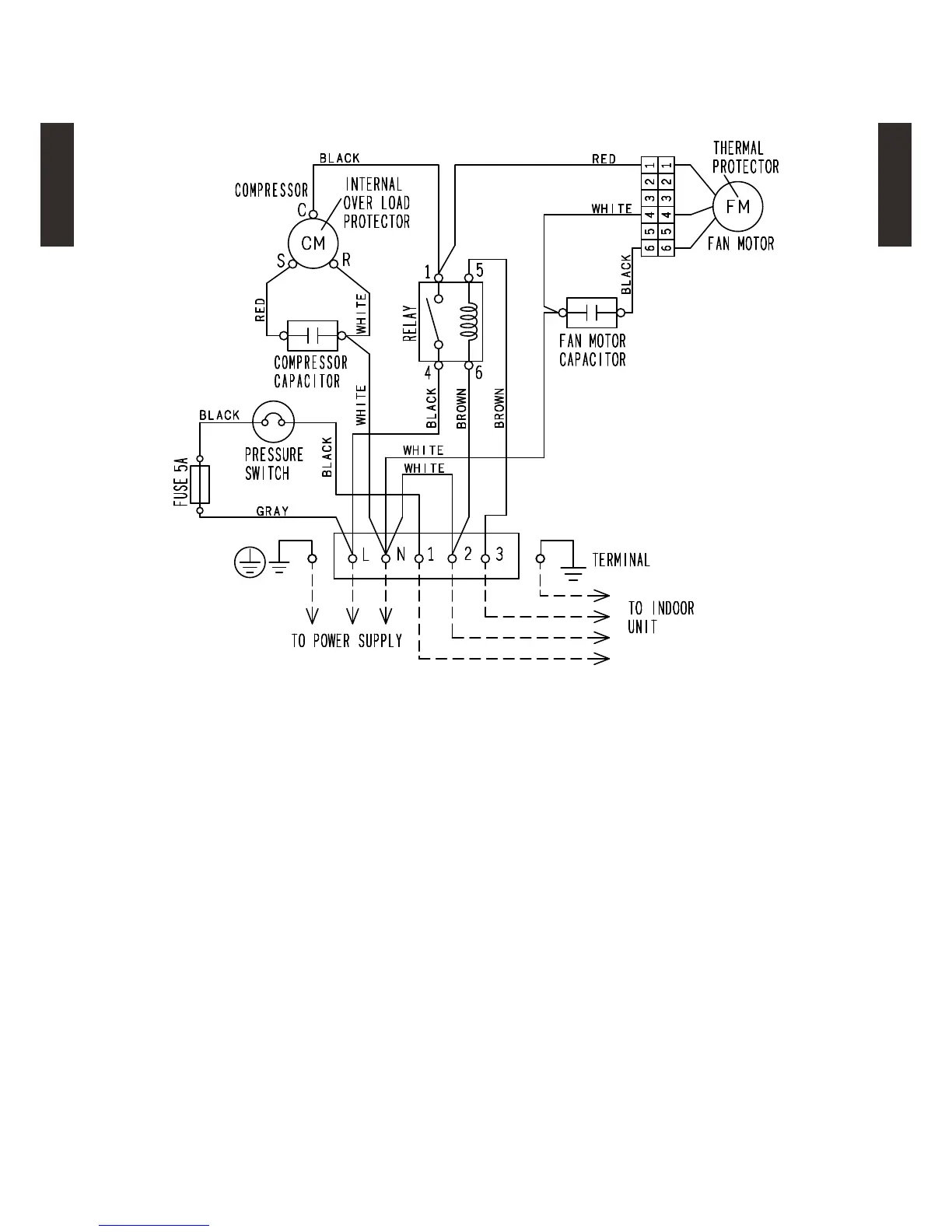
OUTDOOR UNIT
AOGA18-25FBTAH
OUTDOOR UNIT
AOGA18-25FBTAH
MODEL
: AOGA25FBTAH

Related product manuals