EasyManua.ls Logo

Fujitsu ASU12RLF1 - 4. Refrigerant circuit; 4-1. Model: AOU45 RLXFZ

Fujitsu ASU12RLF1
328 pages
Print Icon
To Next Page IconTo Next Page
To Next Page IconTo Next Page
To Previous Page IconTo Previous Page
To Previous Page IconTo Previous Page
Loading...
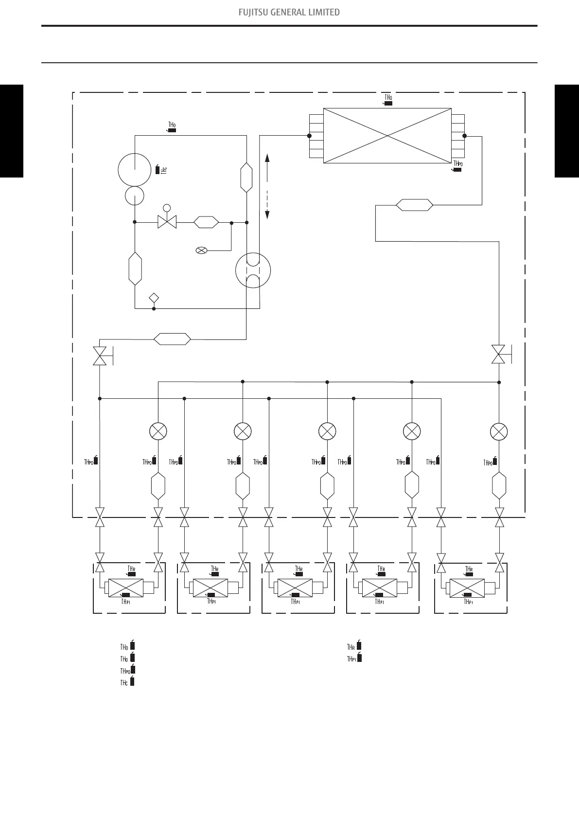
4. Refrigerant circuit
4-1. Model: AOU45RLXFZ
HEAT EXCHANGER
HEAT EXCHANGERHEAT EXCHANGER
HEAT EXCHANGER
Indoor unit A Indoor unit B Indoor unit C Indoor unit D
PRESSURE SENSOR
COMPRESSOR
STRAINER
EXPANSION
VALVE
STRAINER
EXPANSION
VALVE
4-WAY VALVE
HEAT COOL
STRAINER
EXPANSION
VALVE
STRAINER
EXPANSION
VALVE
: THERMISTOR (DISCHARGE TEMP.)
: THERMISTOR (COMPRESSER TEMP.)
: THERMISTOR (ROOM TEMP.)
: THERMISTOR (PIPE TEMP.)
: THERMISTOR (PIPE TEMP.)
: THERMISTOR (OUTDOOR TEMP.)
MUFFLER
SOLENOID
VALVE
STRAINER
FUSIBLE PLUG
MUFFLER
STRAINER
HEAT EXCHANGER
Indoor unit E
STRAINER
EXPANSION
VALVE
ACCUMULATOR
CONDENSER
CHARGING
VALVE
CHARGING
VALVE
- 244 -
4-1. Model: AOU45RLXFZ 4. Refrigerant circuit
OUTDOOR UNIT
AOU45RLXFZ
OUTDOOR UNIT
AOU45RLXFZ

Table of Contents

Other manuals for Fujitsu ASU12RLF1

Related product manuals