EasyManua.ls Logo

FULTON 60J - Page 50

FULTON 60J
88 pages
Print Icon
To Next Page IconTo Next Page
To Next Page IconTo Next Page
To Previous Page IconTo Previous Page
To Previous Page IconTo Previous Page
Loading...
J OIL-E-08 2008
5 5
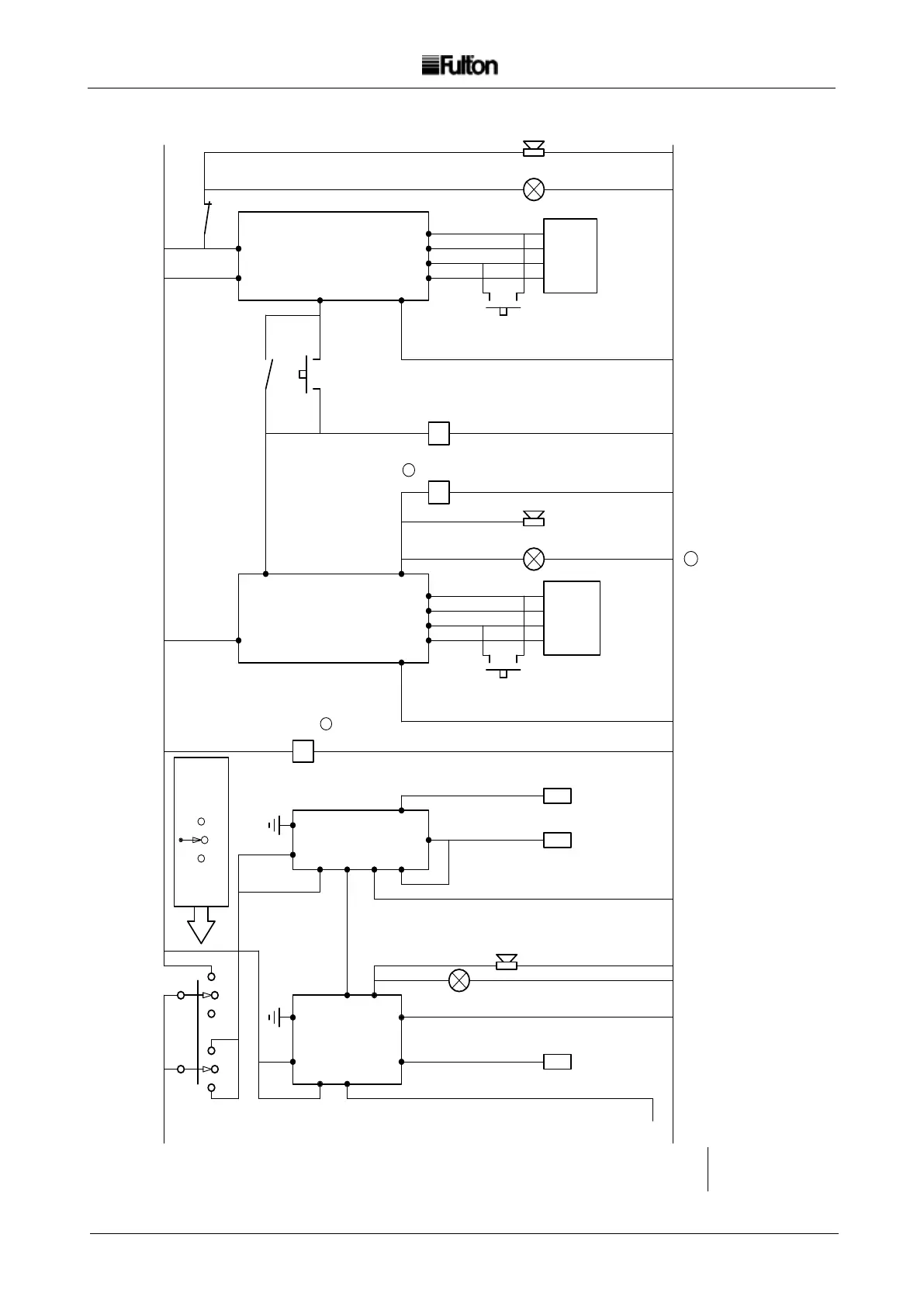
FIG. 24 SPIRAX LEVEL CONTROL CIRCUIT
45
C
CN
CC
CN
7
6
3 4
5
81
2
HL1
(IF FITTED)
SWITCH
SELECTOR
7
4
3
5
1
2
PL1
6
8
PL1 (3)
50
HIGH
WATER
(IF FITTED)
52
PUMP
ON
51
PUMP
OFF
HIGH WATER ALARM
(IF FITTED)
1st LOW
WATER
LP30
LC3000
1st
9101112
1
2 5
3
R6
1st LOW WATER TEST
BUTTON
1st LOW WATER LIGHT & ALARM
2nd LOW
WATER
LP30
LC3000
2nd
9 101112
1
4
2
R2
2nd LOW WATER TEST
BUTTON
2nd LOW WATER LIGHT & ALARM
3
R2
R2
2nd LOW WATER
RESET BUTTON
OFF
PUMP
ONLY
PUMP &
BOILER
SPIRAX LEVEL CONTROL PANEL CIRCUIT
(FOR GAS, OIL & DUAL FUEL BOILERS)
NOTE:
FOR CIRCUIT CONTINUATION INSTRUCTION
REFER TO DRAWINGS:
EJ060000 (FOR 'J' SERIES BOILERS);
ERB060000 (FOR RBC BOILERS).
R1
1
1
1
DENOTES LOCATION OF CHANGES FOR ISSUE NUMBER
EGP06 0001-2

Related product manuals