EasyManua.ls Logo

FULTON 60J - Page 51

FULTON 60J
88 pages
Print Icon
To Next Page IconTo Next Page
To Next Page IconTo Next Page
To Previous Page IconTo Previous Page
To Previous Page IconTo Previous Page
Loading...
J OIL-E-08 2008
5
5
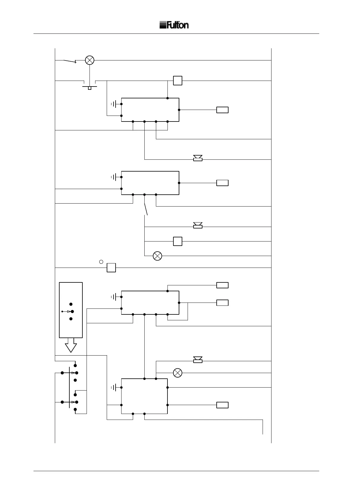
FIG. 25 LC LEVEL CONTROL CIRCUIT
46
C
CN
CC
CN
7
6
3 4
5
81
2
HL1
(IF FITTED)
SWITCH SELECTOR
7
4
3
5
1
2
PL1
6
8
PL1 (3)
50
HIGH WATER
(IF FITTED)
52
PUMP
ON
51
PUMP
OFF
HIGH WATER ALARM
(IF FITTED)
1st LOW
WATER
R1
1st LOW WATER ALARM
2nd LOW
WATER
R2
LOW WATER
RESET BUTTON
2nd LOW WATER ALARM
R2
7
4
3
1
2
LW1
8
53
R2
7
4
3
1
2
LW2
8
54
56
2nd LOW WATER
RESET
OFF
PUMP
ONLY
PUMP &
BOILER
LC LEVEL CONTROL PANEL CIRCUIT
(FOR GAS, OIL & DUAL FUEL BOILERS)
R6
1
EGP06 0002-1

Related product manuals