EasyManua.ls Logo

FULTON 60J - Page 52

FULTON 60J
88 pages
Print Icon
To Next Page IconTo Next Page
To Next Page IconTo Next Page
To Previous Page IconTo Previous Page
To Previous Page IconTo Previous Page
Loading...
J OIL-E-08 2008
5
5
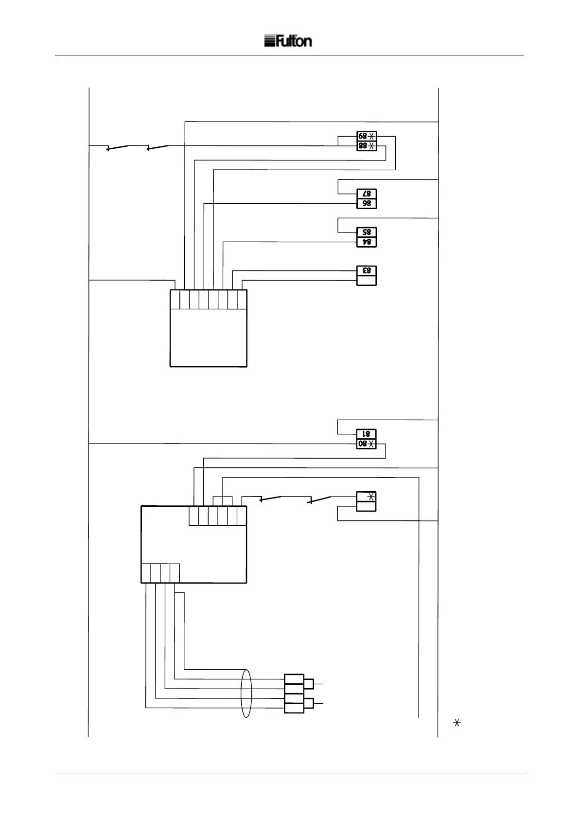
FIG. 26 TDS and BLOWDOWN CONTROL CIRCUIT
47
CC
CN
CC
CN
1
2
3
4
20
19
18
17
16
15
3
4
6
8
10
12
2
1
78
79
PC 'A' AUX
80
81
TDS (17)
TDS
CONTROL
(IF FITTED)
BLOWDOWN
CONTROL
BT1000
(IF FITTED)
82
83
84
85
86
87
88
89
PC 'A' AUX
SCREENED CABLE
TDS PROBE
TDS
SOLENOID
VALVE
TDS
CONTROLLER
SUPPLY
CLOSED
SWITCH
OPEN
ALARM
SOLENOID
VALVE
FUSED TERMINAL
RED
YELLOW
BLUE
GREEN
RED
BLUE
TDS & BLOWDOWN CONTROL PANEL CIRCUIT
(FOR GAS, OIL & DUAL FUEL BOILERS)
PC 'B' AUX
(If fitted)
EGP060003-1
PC 'B' AUX
(If fitted)

Related product manuals