EasyManua.ls Logo

FULTON VSRT 50 - Troubleshooting Boiler Issues

FULTON VSRT 50
91 pages
Print Icon
To Next Page IconTo Next Page
To Next Page IconTo Next Page
To Previous Page IconTo Previous Page
To Previous Page IconTo Previous Page
Loading...
MAINTENANCE & TROUBLESHOOTING  4
Questions? Call (315) 298-5121, or visit us online at www.fulton.com
4-21
VSRT_IOM_2018-1213
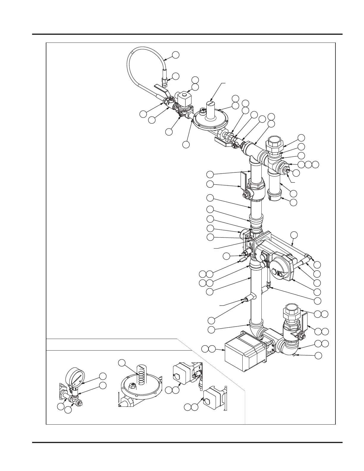
ISOMETRIC VIEW
PRESSURE GAUGE VARIANT
PROPANE VARIANT
VIEW16
PRESSURE SWITCH VARIANT
PRESSURE SWITCH VARIANT
VARIANTS
PRESSURE GAUGE
VARIANT
E
D
F
42
41
10
43
8
8
12
15
11
PROPANE VARIANT
38
40
PRESSURE SWITCH VARIANT
(HIGH GAS SWITCH LOCATION)
PRESSURE SWITCH VARIANT
(LOW GAS SWITCH LOCATION)
10
10
30
206
14
31
19
25
21 6
6
7
17
28
28
9
16
28
11
33
5
4
29
34
22
1
10
4
29
8
13
2
3
22
7
6
5
6
32
18
(SEE NOTE 4)
(GAS TRAIN
BRACKET
FITS HERE)
(PILOT BRACKET
FITS HERE)
(CUT TO FIT)
37
35
36
1
39
(SEE NOTE 7)
2426
2327

Related product manuals