EasyManua.ls Logo

Furuno FA-50 - Page 41

Furuno FA-50
59 pages
Print Icon
To Next Page IconTo Next Page
To Next Page IconTo Next Page
To Previous Page IconTo Previous Page
To Previous Page IconTo Previous Page
Loading...
A
P-7
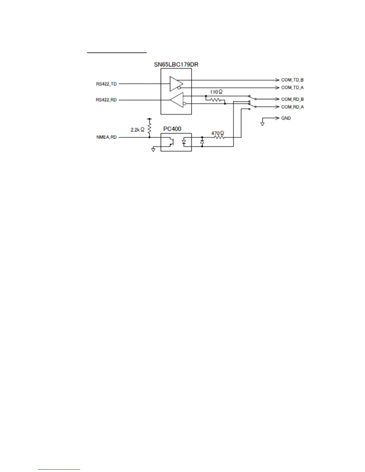
Serial interface I/O circuit
Input/Output Buffer

Related product manuals