EasyManua.ls Logo

Furuno FA-50 - Wiring

Furuno FA-50
59 pages
Print Icon
To Next Page IconTo Next Page
To Next Page IconTo Next Page
To Previous Page IconTo Previous Page
To Previous Page IconTo Previous Page
Loading...
9
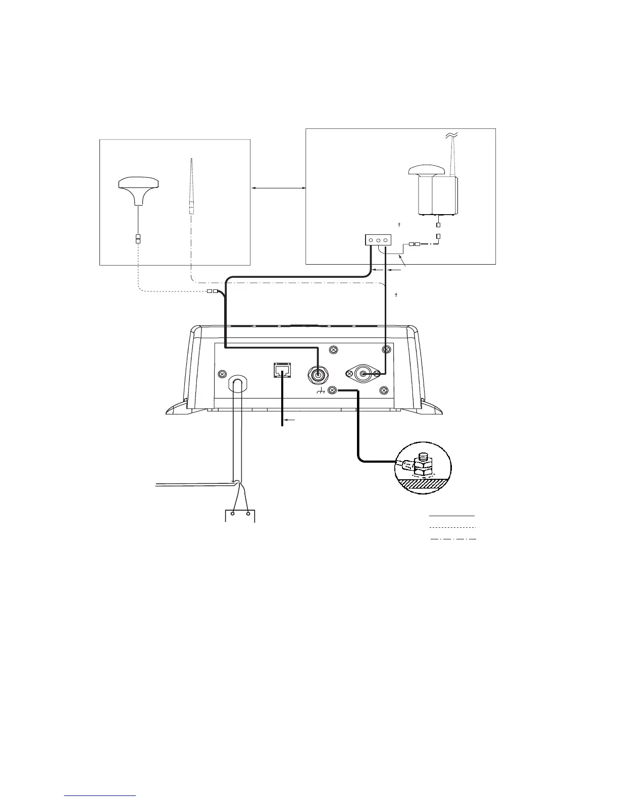
1.7 Wiring
Connect power source, LAN cable, VHF antenna and ground wire as shown
below.
RED BLACK
PC, HUB,
NAVNET
GROUND
GROUND WIRE
IV-1.25sq
LAN CABLE
P5E-4PTX-BL
(2 m or 10 m)
AIS TRANSPONDER
POWER CABLE
(supplied)
12-24 VDC
RS-422 RATING
Switchboard breaker
+
-
: Standard
: Option
: Local Supply
GPS Antenna
GPA-017/S
150M-W2VN
or FAB-151D
Either one
RG-10U/Y
RG-10U/Y (8D-FB-CV
for more than 20 m)
Attached to Distributor
(approx. 1m)
Distributor unit
DB-1
GPS/VHF Conbined
Antenna GVA-100
8D-FB-CV, 30 m/50 m: Option
RG-10U/Y: Local supply
0.6 m
*
*
*
0.8 m
: Ground is not required.
Note 1: Supply from breaker on switchboard.
Note 2: If COM lines (connection for NavNet, sensor) are not used, tape tham to prevent short circuit.

Related product manuals