EasyManua.ls Logo

FUTABA 4GRS - Model Management and Naming

FUTABA 4GRS
128 pages
Print Icon
To Next Page IconTo Next Page
To Next Page IconTo Next Page
To Previous Page IconTo Previous Page
To Previous Page IconTo Previous Page
Loading...
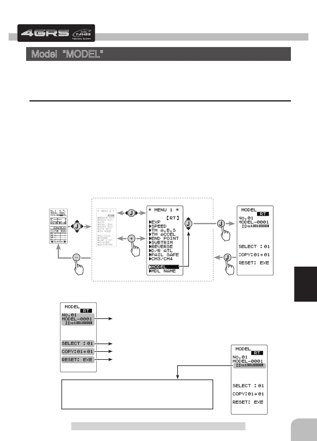
Current model # and model name
ID of T-HSS receiver linked last at this model
Model copy function.
Model reset function.
Model selection function.
When a T-FHSS receiver is not linked with a model whose RX
type is set to T-FHSS, (NO LINK) is displayed.
When RX type is set to S-FHSS or FHSS other than T-FHSS,
nothing is displayed here
Pres
s
Pres
s
(HOME screen)
(MENU 2 screen)
(MODEL screen)
Pres
s
(MENU 1 screen)
Pres
s
Select
"MODEL"
Setting item
SELECT :Model selection
COPY :Model copy
RESET :Model reset
47
Fun ction
Function
Model "MODEL"
Model "MODEL"
Forty model data (data for 40 R/C cars) can be saved in the T4GRS transmitter. This
menu selects the model, copies data between models.
Model Menu Display
The MENU 1 screen is displayed using (JOG) button up, down, left, or right operation
at the HOME screen.
The display can be switched to the MODEL screen by selecting "MODEL" and using
(JOG) button up or down operation.
The display can be switched to the HOME screen by switching from the MODEL menu
screen to the MENU 1 screen by pressing the (JOG) button and then pressing the (-) but
-
ton at the MENU 1 screen.
When the (JOG) button is pressed from the MODEL menu screen, the display switches
to the MENU1 screen and can then be switched to the HOME screen by pressing the (-)
button from the MENU1 screen.

Table of Contents