EasyManua.ls Logo

Future Design FDC-8300 - Menu Overview

Default Icon
56 pages
Print Icon
To Next Page IconTo Next Page
To Next Page IconTo Next Page
To Previous Page IconTo Previous Page
To Previous Page IconTo Previous Page
Loading...
PV Value
SV Value
User
Menu
User
Menu
Setup
Menu
Setup
Menu
Hand (Manual)
Control
Mode
Hand (Manual)
Control
Mode
Auto-tuning
Mode
Auto-tuning
Mode
Display
Mode
Display
Mode
Default
Setting
Mode
Default
Setting
Mode
Calibration
Mode
Calibration
Mode
Apply these modes will break the control loop and change
some of the previous setting data. Make sure that if the system
is allowable to use these modes.
Apply these modes will break the control loop and change
some of the previous setting data. Make sure that if the system
is allowable to use these modes.
SEL1
SEL5
SEL4
SEL3
SEL2
FILE
To execute the
default setting
program
PVHI
PVLO
PV1
PV2
PB
TD
TI
DV
CJCT
PVR
PVRH
PVRL
H
C
SEL1
AOHI
IN1L
SP1H
SP2F
AOLO
DP1
SP1L
AOFN
IN1U
SPMD
STOP
IN1
IN1H
IN2H
SLEP
PARI
IN2L
SELF
FILT
PVMD
EIFN
SEL2
DATA
DP2
BAUD
IN2U
ADDR
IN2
PROT
COMM
FUNC
O1TY
O2TY
A1MD
A2FT
OUT1
OUT2
A1FN
A2MD
O1FT
O2FT
A2FN
CYC1
CYC2
A1FT
SEL5
SEL4
SEL3
H
C
V2G
MA2G
MA1G
SR1
REF1
CJG
CJTL
V1G
ADG
AD0
for 3 seconds
for
3 seconds
Press for 3 seconds to enter
the auto-tuning mode
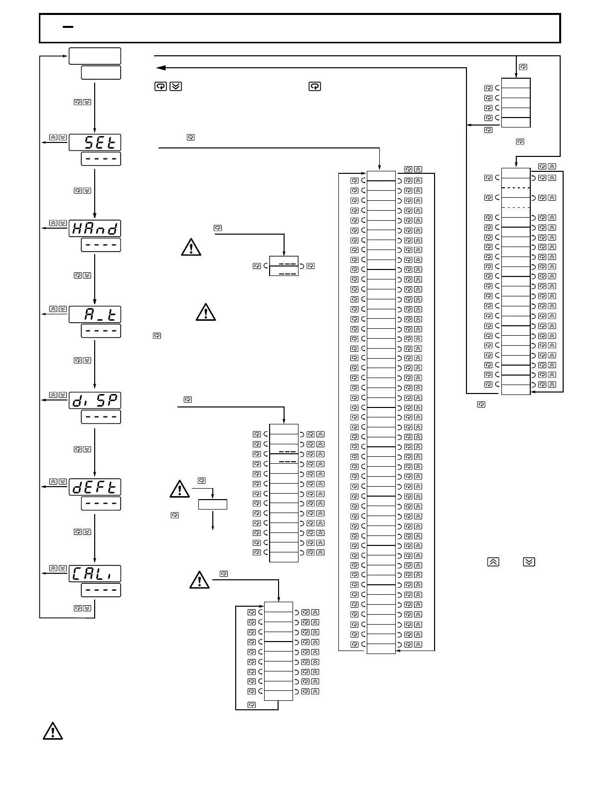
The flow chart shows a complete listing of all parameters.
For actual application the number of available parameters
depends on setup conditions, and should be less
than that shown in the flow chart. See for the
existence conditions of each parameter.
Appendix A-1
The flow chart shows a complete listing of all parameters.
Fo
r actual
application the number of available parameters
depends on setup conditions, and should be less
than that shown in the flow chart. See for the
existence conditions of each parameter.
Appendix A-1
*1:
Y
ou
can select at most 5 parameters put in front of the user
menu by using SEL1 to SEL5 contained at the bottom of
setup menu.
You can select at most 5 parameters put in front of the user
menu
by
using SEL1 to SEL5 contained at the bottom of
setup menu.
*2:
1 5 Menu Overview1 5 Menu Overview
*1
*2
DisplayGoHomeDisplay Go Home
The menu will revert to
PV/SV display after keyboard
is kept untouched for
except
and
. However, the
menu can revert to PV / SV
display at any time by
pressing and .
2 minutes Display
Mode Menu Manual
Mode Menu
The menu will revert to
PV/SV display after keyboard
is kept untouched for
except
and
. However, the
menu can revert to PV / SV
display at any time by
pressing and .
2 minutes Display
Mode Menu Manual
Mode Menu
Press to enter Setup Mode. Press to select parameter. The upper
display
indicates
the parameter symbol, and the lower display indicates the
selection or the value of parameter.
Press to enter Setup Mode. Press to select parameter. The upper
display indicates the parameter symbol, and the lower display indicates the
selection or the value of parameter.
UMA83001A-August-20244
7
RAMP
A2DV
A2SP
A1DV
A1SP
TIME
PB1
SHIF
CPB
REFC
TD1
OFST
TI1
TD2
TI2
PB2
SP2
PL2
PL1
A2HY
A1HY
O1HY
for 3
seconds
*1
DB