EasyManua.ls Logo

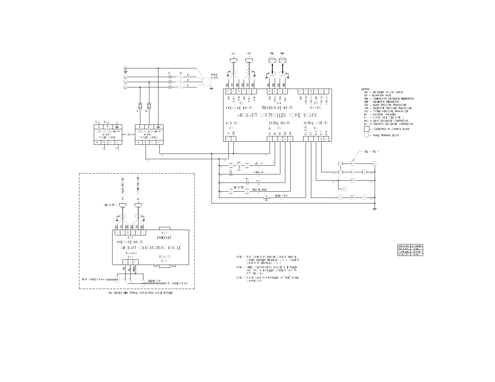
Gardner Denver INTEGRA EFD99E - Figure 4-3 - Wiring Diagram - Full Voltage

Gardner Denver INTEGRA EFD99E
60 pages
Print Icon
To Next Page IconTo Next Page
To Next Page IconTo Next Page
To Previous Page IconTo Previous Page
To Previous Page IconTo Previous Page
Loading...
13-20-604 Page 29
Figure 4-3 – WIRING DIAGRAM – FULL VOLTAGE
308EDE46-
A
(Ref. Drawing)
Page 1 of 2

Related product manuals