EasyManua.ls Logo

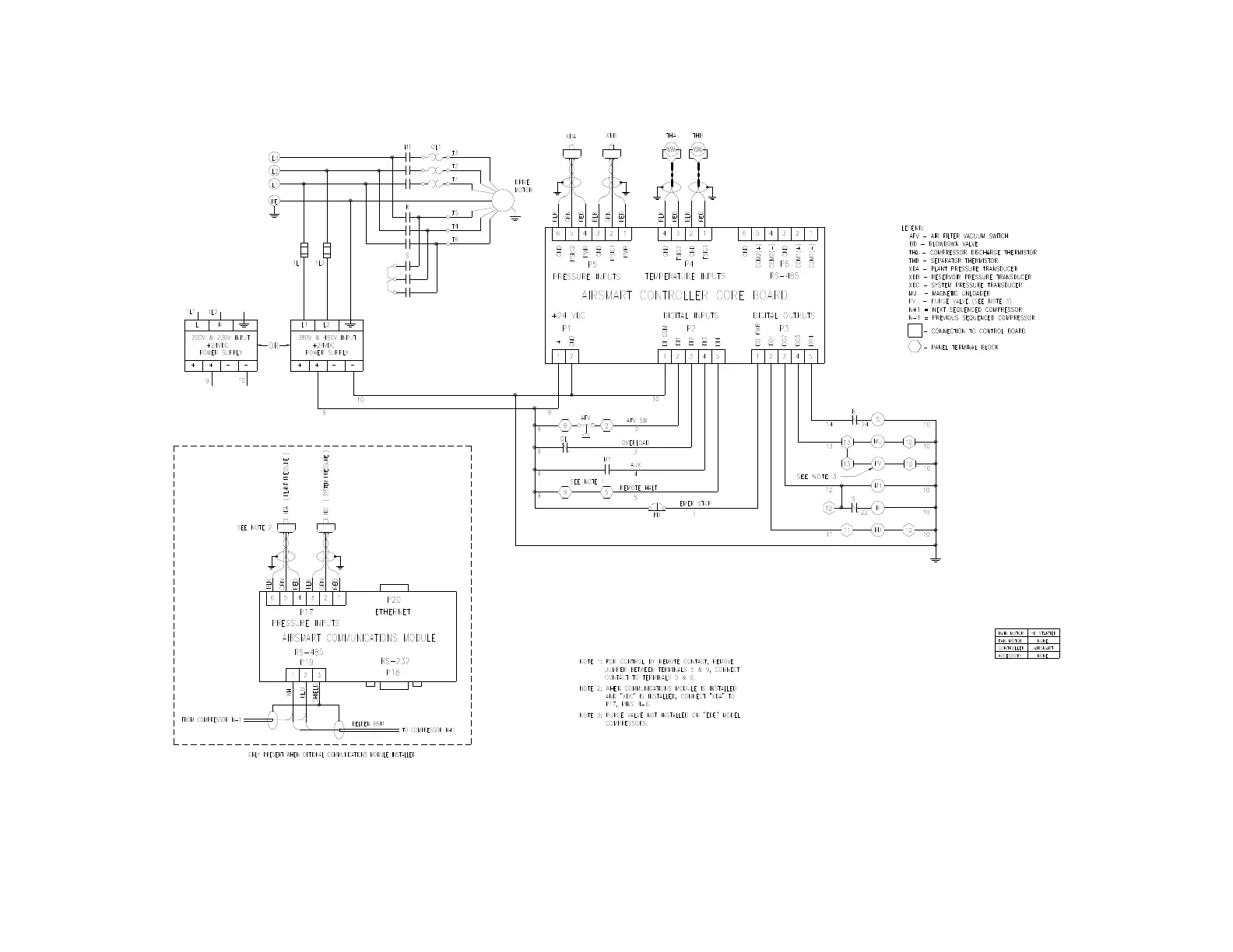
Gardner Denver INTEGRA EFD99E - Figure 4-4 - Wiring Diagram - Wye Delta

Gardner Denver INTEGRA EFD99E
60 pages
Print Icon
To Next Page IconTo Next Page
To Next Page IconTo Next Page
To Previous Page IconTo Previous Page
To Previous Page IconTo Previous Page
Loading...
13-20-604 Page 31
Figure 4-4 – WIRING DIAGRAM – WYE DELTA
309EDE546-
A
(Ref. Drawing)
Page 1 of 2

Related product manuals