EasyManua.ls Logo

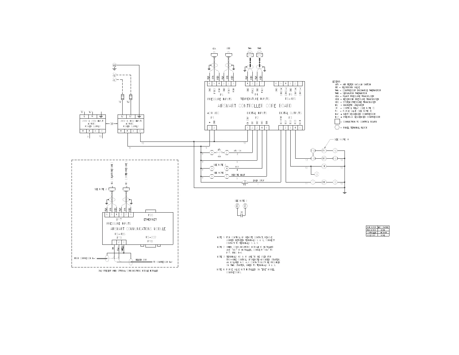
Gardner Denver INTEGRA EFD99E - Figure 4-5 - Wiring Diagram - Less Starter

Gardner Denver INTEGRA EFD99E
60 pages
Print Icon
To Next Page IconTo Next Page
To Next Page IconTo Next Page
To Previous Page IconTo Previous Page
To Previous Page IconTo Previous Page
Loading...
13-20-604 Page 33
Figure 4-5 – WIRING DIAGRAM – LESS STARTER
310EDE546-
A
(Ref. Drawing)
Page 1 of 2

Related product manuals