EasyManua.ls Logo

GE CT-9800

GE CT-9800
510 pages
To Next Page IconTo Next Page
To Next Page IconTo Next Page
To Previous Page IconTo Previous Page
To Previous Page IconTo Previous Page
Loading...
GE MEDICAL SYSTEMS CT 9800 QUICK SYSTEM
Rev. 19 Direction 18000
6-9A-14D
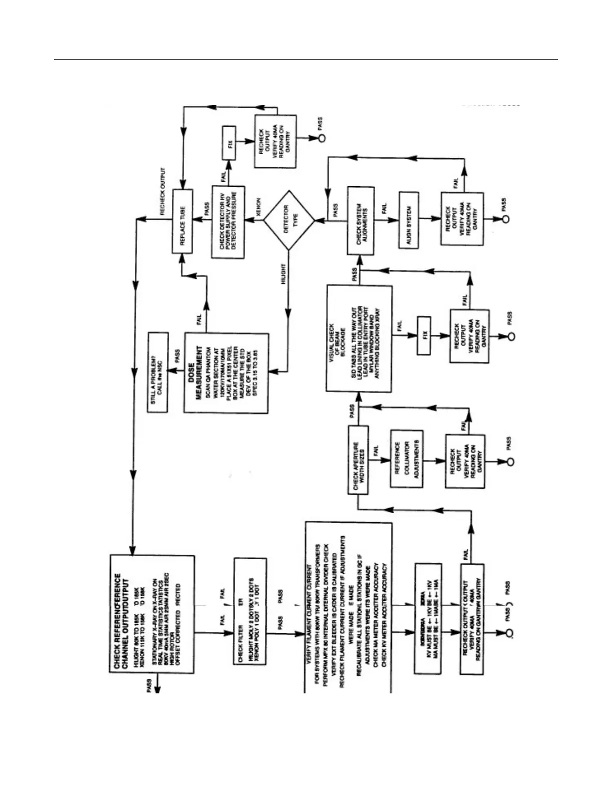
CT GUIDE FOR TROUBLESHOOTING LOW SIGNAL OUTPUT

Table of Contents

Related product manuals