EasyManua.ls Logo

GE MiCOM P141 Agile - Page 655

GE MiCOM P141 Agile
668 pages
Print Icon
To Next Page IconTo Next Page
To Next Page IconTo Next Page
To Previous Page IconTo Previous Page
To Previous Page IconTo Previous Page
Loading...
SYNC
V CHECK
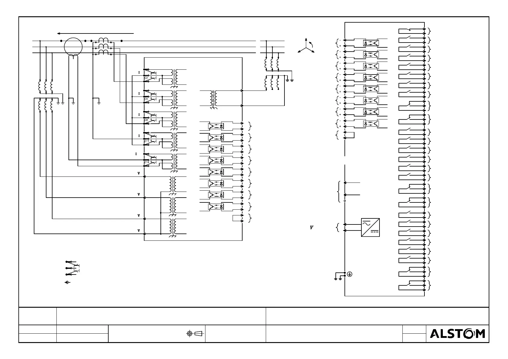
2. C.T. CONNECTIONS ARE SHOWN 1A CONNECTED AND ARE TYPICAL ONLY.
CHANGES IF THIS OPTION IS SELECTED IN THE RELAY MENU.
4. OPTO INPUTS 1 AND 2 MUST BE USED FOR SETTING GROUP
ENSURE CORRECT OPERATION OF THE PROTECTIVE RELAY.
+
D8
1A
5A
C.T. SHORTING LINKS
PIN TERMINAL (P.C.B. TYPE)
(b)
NOTES 1.
(a)
3. THIS RELAY SHOULD BE ASSIGNED TO ANY TRIP TO
5. FOR COMMS OPTIONS SEE DRAWING 10Px4001.
C22
C21
N
C
C19
C15
C20
B
A
D16
D17
D18
+
D12
D13
D14
D15
-
+
-
+
D9
D10
D11
-
+
-
NOTE 2.
DIRECTION OF FORWARD CURRENT FLOW
a
A
c
b
n
N
C
B
S1S2
P2
S2
P1 P2
S1
A
1A
5A
1A
5A
1A
5A
1A
5A
C10
C13
C12
SENSITIVE
N
N
C9
C
C7
C6
B
C4
C3
+
D5
D6
D7
+
-
-
D1
D2
D3
D4
+
-
-
C24
C23
MiCOM P145 (PART)
C1
P1
NOTE 5.
OPTO 4
SEE DRAWING
EARTH
CASE
OPTO 8
CONNECTION
COMMON
OPTO 6
OPTO 7
OPTO 5
+
x
AC OR DC
-
J2
J1
*
+
EIA485/
PORT
KBUS
-
SCN
J16
J18
10Px4001.
J17
RELAY 21
RELAY 23
RELAY 22
RELAY 24
E14
E17
E18
E15
E16
E12
E13
E10
E11
RELAY 17
RELAY 18
RELAY 19
RELAY 20
RELAY 13
RELAY 15
RELAY 14
RELAY 16
G18
E7
E8
E9
E5
E6
E2
E3
E4
E1
G13
G16
G17
G15
G14
G11
G12
G10
G9
MiCOM P145 (PART)
F7
OPTO 3
NOTE 4.
OPTO 2
OPTO 1
a c
b
n
F15
COMMS
OPTO 16
CONNECTION
COMMON
F17
F18
F16
OPTO 14
OPTO 15
OPTO 12
OPTO 13
F11
F13
F14
F12
F9
F10
F8
A
C
B
X
A
N
B
C
X
X
PHASE ROTATION
A
C B
OPTO 10
OPTO 11
OPTO 9
F6
F5
F4
F3
F2
F1
RELAY 4
RELAY 11
RELAY 10
RELAY 12
RELAY 8
H17
G6
G7
G8
G4
G5
G1
G2
G3
H18
RELAY 9
H12
H15
H16
H14
H13
RELAY 7
H10
H11
H9
H8
RELAY 5
RELAY 6
CONTACT
WATCHDOG
CONTACT
RELAY 3 ANY TRIP
WATCHDOG
J12
H5
H6
H7
H4
H3
RELAY 2
J14
H2
H1
J13
RELAY 1
J11
NOTE 3.
POWER SUPPLY VERSION 24-48V (NOMINAL) D.C. ONLY
*
AUX SUPPLY
Drg
No:
Issue: Revision:
Date:
Date:
Name:
Chkd:
DO NOT SCALE
CAD DATA 1:1 DIMENSIONS: mm
Title:
Substation Automation Solutions
ALSTOM GRID UK LTD
(STAFFORD)
Sht:
Next
Sht:
13/05/2013 H.ONG
FIELD VOLTAGE OUTPUT REMOVED. CID HONG-95RDV7
10P14504
1
-
EXT CONN DIAG: FEEDER PROT. RELAY (60TE) DIRECT'L PHASE
O/C & S.E.F. AUTORECLOSE & CHECK SYNCH. (16 I/P & 24 O/P)
D

Table of Contents

Related product manuals