Home
GE
Medical Equipment
Optima IGS 320
Page 59
GE Optima IGS 320 - Page 59
202 pages
Manual
Save Page as PDF
To Next Page
To Next Page
To Previous Page
To Previous Page
Loading...
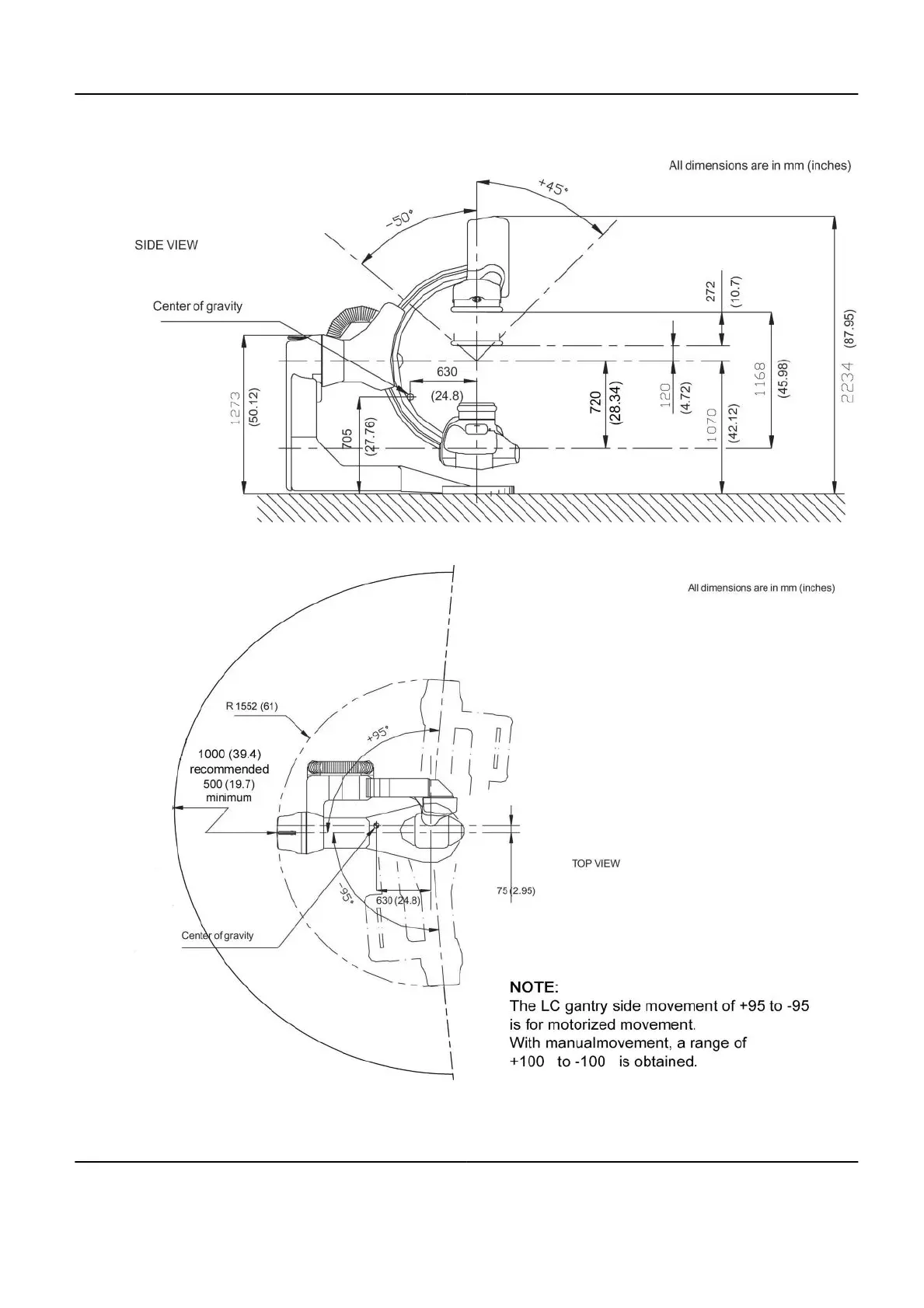
Illustration 2-14: Gantry Dimensions: - Side View
Illustration 2-15: Gantry Dimensions: - Top view
Optima IGS 320, Optima IGS 330 Pre-Installation Manual
Direction 5537562-1-1EN, Revision 3
Chapter 2 Equipment Requirements
59
58
60
Table of Contents
Main Page
default chapter
3
Direction 5537562-1-1EN, Revision
3
Table of Contents
13
Chapter 1 GENERAL REQUIREMENTS
21
Objectives & Overview
21
Object and Scope of this Manual
21
Object and Scope
21
Quebec
21
Pre-Installation Process
22
Customer Responsibilities
23
Responsibilities of the Purchaser/Customer
23
Equipment Classifications
24
Pre-Installation Checklist
25
Delivery Requirements
27
Shipping Information
27
Product Shipping Information
27
Detail of Shipping Information
28
Gantry on Shipping Dolly
28
Gantry Air Shipment
29
System Control Cabinet on Pallet
30
Omega Shipment
31
Omega Using Gantry Dollies
32
Other Elements Package
32
Tools and Test Equipment
33
Door Size Requirements
35
Door Height
35
Door Width
35
Route Survey
36
Step One - Sketch
36
Step Two - Survey
36
Step Three - Check
36
European Process Order Select
38
Product Storage and Handling Requirements
39
Product Storage and Handling Limits
39
Fluoro UPS Shipment Duration
40
Fluoro UPS (CE and UL)
40
Handling Instructions
40
Chapter 2 EQUIPMENT REQUIREMENTS
43
System Components
43
Presentation of the 3 Rooms
43
Examination Room
43
Technical Room
43
Control Room
44
Description of System
45
Description of Gantry
45
Description of the Patient Table
46
User Interfaces
47
Description of the X-Ray Generator
47
Description of the X-Ray Head
47
Description of the Imaging System
48
Description of the Image Monitors Suspension
50
LCD Monitors Suspension
50
Open Suspension
50
Description of the Ergo Monitors Suspensions
51
Suspension System Configuration
51
Monitor Configuration
52
System Cable Information
53
Description of the DL and Associated Devices
53
AW Workstation
54
CENTRICITY CA1000 Option
54
Injectors
54
Fluoro UPS Option
55
Dimension Drawings
58
Basic System Compatibility
82
System Compatibility Cross-Reference - Gantry
82
System Compatibilities Cross-Reference - Tables Sub-System
82
System Compatibilities Cross-Reference - Jedi X-Ray Generator
82
System Compatibility Cross-Reference - X-Ray Head
82
Control
83
System Compatibility Cross-Reference - Monitor Support & Suspension
83
System Compatibilities Cross-Reference - 19" Monitors
83
Optional System Components
84
Room Layouts
85
Room Dimension Requirements
85
Room Layout Drawings
89
Patient Room Layout
89
Room Layout for Optima System (Examples of Room Layouts)
89
Room Layout for Optima System (with Ergo Suspension)
94
Room Layout for Optima System (Example with Mobile System 9800)
95
Control Room Layout
97
Technical Room Layout
98
Room Layout Considerations
99
Radiation Protection
99
Service Access
99
Clinical Access
99
Peripheral Equipment
99
Emergency Stop
100
Patient Environment Equipment
100
Preference Cabinet Locations
101
Layout Constraints
103
Room Structural Requirements
104
General Policy
104
Floor Requirements
106
Floor Requirements When Using Provided Floor Anchors
106
Pan Type Floor Construction Requirement
106
Hole Dimension and Preferred Location in Concrete Floor
107
Water Pipe Requirements
109
Mounting Requirements
113
Floor Loading and Recommended Mounting Methods
113
Positioner and Table Floor Mounting
114
LC Positioner and Omega Table Floor Preparation Kits (GEMS Supplied)
122
2285048 - Base Plate Assembly
124
Assembly and Separation Select Kit
125
2285051 - above Grade, Floor Anchors Without Insert
125
2285646 - through Bolts Without Insert
125
2286398 - on Grade, Floor Anchor
126
2285052 - above Grade, Floor Anchor with Insert
126
2285053 - through Bolts with Insert
127
2285632 - Floor Plate / Base Plate Assembly
127
5570895- Base Plate Assembly Kit
128
2285054 - Templates
128
2285056 - A/C/N Templates
128
2186109 - EP Template
128
Injector Mounting Requirements
130
Ceiling Requirements
131
Rail Mounting
131
Bolt Specifications
131
Mavig Suspensions
131
Ergo Suspension
131
Select Rails
132
Rails for Mavig Suspension
132
Rails for Ergo Suspension
134
Cable Support for Monitor Cables
134
Wall Requirements
135
Mounting Data, Including Seismic
136
Seismic Areas
136
Floors
136
Walls
136
Seismic Calculations
136
Chapter 3 SPECIAL CONSTRUCTION REQUIREMENTS
147
Radiation Protection
147
EMI Consideration
148
General Scope
148
Electromagnetic Emission
148
Electromagnetic Immunity
148
Electromagnetic Immunity IEC 60601-1-2
148
Recommended Separation Distances for Portable and Mobile RF
151
Communications Equipment IEC 60601-1-2
151
Limitations Management
151
Use Limitation
152
Installations Requirements & Environment Control
153
Chapter 4 ENVIRONMENTAL REQUIREMENTS
155
Relative Humidity and Temperature
155
Altitude and Atmospheric Pressure
157
Heat Output
158
Equipment Heat Output Tables
158
Fluoro UPS Option
159
Acoustic Specifications
161
Chapter 5 ELECTRICAL REQUIREMENTS
163
Power Requirements
163
System Electrical Characteristics
163
Core System
163
Options
164
Power and Grounding
165
Schematic
165
Cables to be Provided by the Installer
166
Core System
166
For the Fluoro UPS Option
167
LOTO Devices Provided by the Installer
167
Core System
167
System Interconnections
168
Emergency Power off
168
X-Ray on Lights
168
Room Door Interlock
168
System on Light
169
Injector
169
Other Options
171
For USA Only
171
Third Party Monitors on Suspension
171
System Cable Information
172
Physical Runs
172
Physical Run Synoptic
172
System Core Matrix
173
Physical Run - System Core Detail
180
MIS (Master Interconnect System)
185
Cable Channeling
186
General
186
Conduit
186
Electrical Ducts
186
Lighting Specifications
190
Room Light Distribution
190
Requirements for Lighting
190
Lighting Relay
190
Room Lighting for System
191
Windows and Curtains
191
Chapter 6 COMMUNICATION REQUIREMENTS
193
Network Requirements
193
Insite/Network Connection
193
IP Addressing Process
194
Chapter 7 APPENDIX
195
PIST0021 - US Fluoro UPS and PDB Connection
195
Connection of the Power Distribution Box
196
Connection of the Fluoro UPS Option Cables
197
Related product manuals
GE Optima IGS 330
202 pages
GE Optima XR646
463 pages
GE OPTIMA MR360
227 pages
GE Optima XR220amx
92 pages
GE Optima XR200amx
46 pages
GE Optima CT680 Series
206 pages
GE Healthcare Optima XR200amx
130 pages
GE Innova IGS 6
194 pages
GE Innova IGS 520
244 pages
GE Innova IGS 540
244 pages
GE CARESCAPE ONE
394 pages
GE Giraffe OmniBed
270 pages