EasyManua.ls Logo

GE P54E - Circuit Breaker Control; CB Control Logic Diagram; Figure 83: CB Control Logic Diagram (Module 43)

GE P54E
850 pages
Print Icon
To Next Page IconTo Next Page
To Next Page IconTo Next Page
To Previous Page IconTo Previous Page
To Previous Page IconTo Previous Page
Loading...
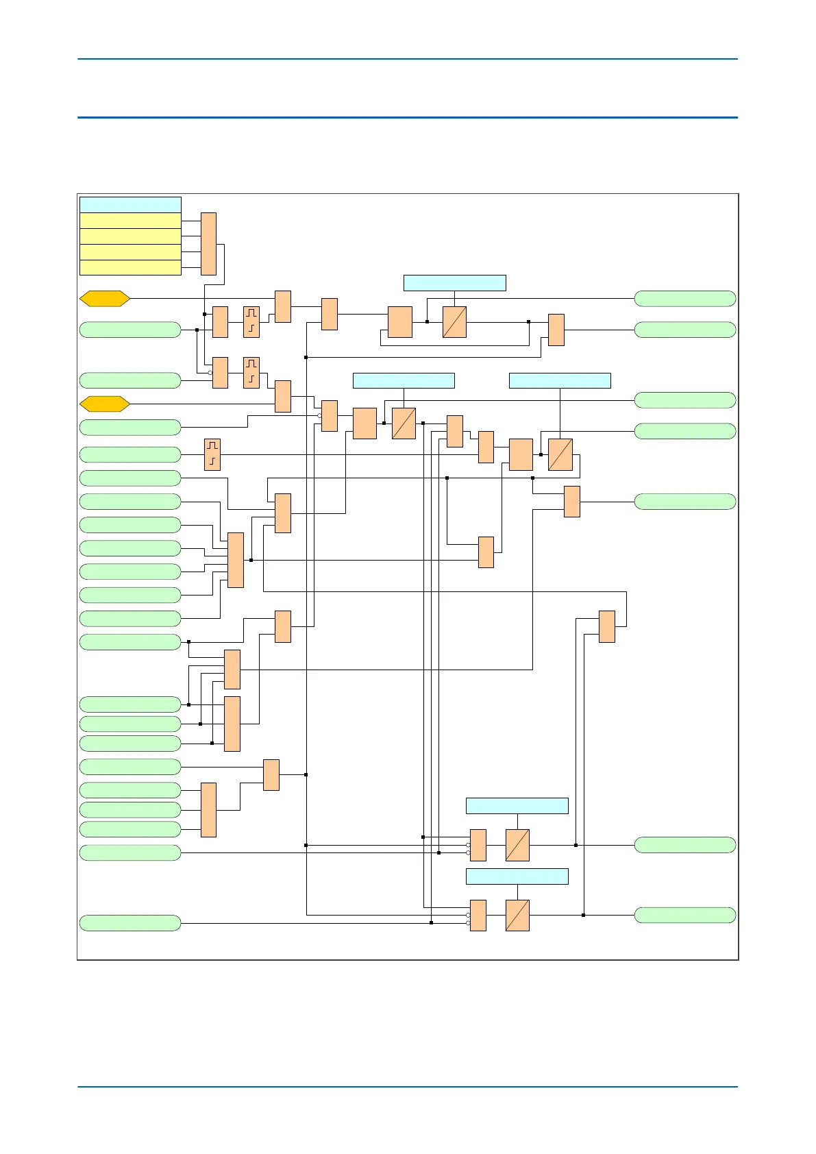
5.16 CIRCUIT BREAKER CONTROL
5.16.1 CB CONTROL LOGIC DIAGRAM
V03369
Init close CB
1
CB Control by
Opto+Local
Opto
Opto+Remote
Opto+Rem+Local
HMI Trip
HMI Close
Init Trip CB
CB ARIP
Auto Close
CB Close Fail
Control Close
Close in Prog
CB Trip Fail
Control Trip
Reset Close Dly
1
1
External Trip3Ph
Control Trip
Any Trip
CB Open 3 ph
CB Closed 3 ph
CB Healthy
Man CB Unhealthy
No C/S Man Close
CB Man SCOK
External Trip A
External Trip B
External Trip C
CB Open A ph
CB Open B ph
CB Open C ph
CB Closed A ph
CB Closed B ph
CB Closed C ph
&
1
1
&
&
1
&
RD
Q
S
0
t
&
1
&
RD
Q
S
0
t
&
1
RD
Q
S
0
t
&
1
1
1
1
0
t
0
t
&
&
Trip Pulse Time
Close Pulse TimeMan Close Delay
CB Healthy Time
Check Sync Time
Note: If the DDB signal CB Healthy is not mapped in PSL it defaults to High .
Figure 83: CB Control logic diagram (Module 43)
Chapter 7 - Autoreclose P54A/B/C/E
168 P54xMED-TM-EN-1

Table of Contents

Related product manuals