EasyManua.ls Logo

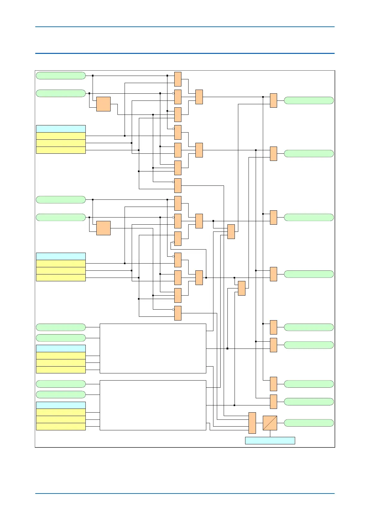
GE P54E - CB State Monitor Logic Diagram; Figure 129: CB State Monitor Logic Diagram (Module 1)

GE P54E
850 pages
Print Icon
To Next Page IconTo Next Page
To Next Page IconTo Next Page
To Previous Page IconTo Previous Page
To Previous Page IconTo Previous Page
Loading...
6.1 CB STATE MONITOR LOGIC DIAGRAM
V01264
CB Aux 3ph(52-A)
CB Aux 3ph(52-B)
CB Status Input
52A 3 pole
52B 3 pole
52A & 52B 3 pole
&
&
XOR
&
&
&
&
&
1
1 CB Closed 3 ph
1
CB Open 3 ph
1
CB Aux A(52-A)
CB Aux A(52-B)
CB Status Input
52A 1 pole
52B 1 pole
52A & 52B 1 pole
&
&
XOR
&
&
&
&
&
1
1
CB Aux B(52-A)
CB Aux B(52-B)
CB Status Input
52A 1 pole
52B 1 pole
52A & 52B 1 pole
CB Aux C(52-A)
CB Aux C(52-B)
CB Status Input
52A 1 pole
52B 1 pole
52A & 52B 1 pole
Phase B
(Same logic as phase A )
Phase C
(Same logic as phase A )
&
&
1
CB Closed A ph
1
CB Open A ph
1
CB Closed B ph
1
CB Open B ph
1
CB Closed C ph
1
CB Open C ph
CB Status Alm
1
CB Status Time
Figure 129: CB State Monitor logic diagram (Module 1)
Chapter 12 - Monitoring and Control P54A/B/C/E
260 P54xMED-TM-EN-1

Table of Contents

Related product manuals