EasyManua.ls Logo

GE P54E - Page 845

GE P54E
850 pages
Print Icon
To Next Page IconTo Next Page
To Next Page IconTo Next Page
To Previous Page IconTo Previous Page
To Previous Page IconTo Previous Page
Loading...
+
N
C
B
C22
C21
C20
F15
F18
F17
F16
+
-
F14
F13
+
-
F12
F11
+
-
DIRECTION OF FORWARD CURRENT FLOW
N
b
a c
n
A
C
B
C
A
B
S2
P2
D11
C19
C15
C13
C
B
C9
C7
C6
F6
+
F10
F9
-
F8
F7
-
+
F4
F5
-
+
F3
F2
-
+
D18
F1
-
D16
D17
+
-
D13
D15
D14
+
-
D12
+
-
A
S1
C3
C4
C1
P1
+
D10
D9
+
-
D8
D7
-
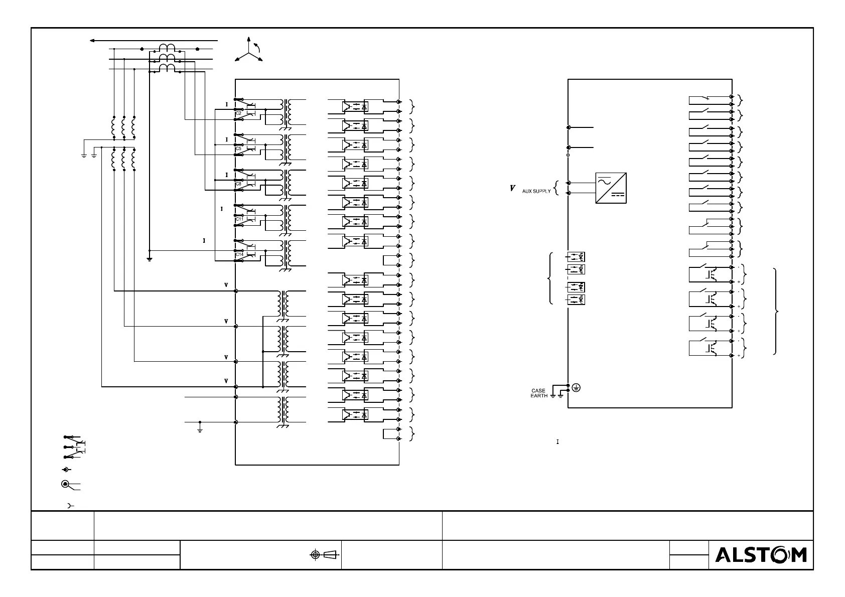
CONNECTION
COMMON
OPTO 16
OPTO 15
OPTO 14
OPTO 11
OPTO 13
OPTO 12
OPTO 10
OPTO 9
CONNECTION
COMMON
OPTO 8
OPTO 7
OPTO 6
OPTO 5
OPTO 4
EIA485/
KBUS
SCN
J16
J18
J17
WATCHDOG
WATCHDOG
J11
J13
J14
J12
CONTACT
CONTACT
OPTO 3
OPTO 2
OPTO 1
D4
D6
D5
+
-
+
D3
D2
D1
-
-
+
(SEE NOTE 3.)
V BUSBAR
C24
C23
3. V BUSBAR ONLY REQUIRED IF CHECK SYNCHRONISM FUNCTION ENABLED.
9-WAY & 25-WAY FEMALE D-TYPE SOCKET
PIN TERMINAL (P.C.B. TYPE)
50 OHM BNC CONNECTOR
C.T. SHORTING LINKS
(a)
(b)
NOTES 1.
IN FAULT LOCATOR.
4. MUTUAL CURRENT INPUT ONLY REQUIRED IF ENABLED
C12
C10
NOTE
4.
M
1A
5A
5A
1A
1A
5A
1A
5A
SENSITIVE
N
NOTE 2.
1A
5A
NOTE 5.
5. C.T. CONNECTIONS ARE SHOWN 1A CONNECTED AND ARE TYPICAL ONLY.
J2
+
J1
-
*
AC OR DC
x
MiCOM P54C (PART) MiCOM P54C (PART)
PHASE ROTATION
A
C B
POWER SUPPLY VERSION 24-48V (NOMINAL) D.C. ONLY
*
DRIVEN FROM A CORE BALANCE CT WHEN SENSITIVE
2. USED FOR SEF PROTECTION. SENSITIVE SHOULD BE
SETTINGS ARE USED.
N
A
PORT
+
-
SEE DRAWING
10Px4001
RX1
TX1
CURR DIFF
COMMUNICATION
FIBRE OPTIC
RX2
TX2
6. FOR COMMS OPTIONS SEE DRAWING 10Px4001.
H11
RELAY 6
RELAY 7
RELAY 8
H17
H18
H14
H16
H15
H13
H12
RELAY 1
RELAY 2
RELAY 4
RELAY 3
RELAY 5
H10
H9
H7
H8
H6
H4
H5
H3
H2
H1
G15
G16
RELAY 12
HIGH BREAK
CONTACTS
G12
G11
G8
G4
G7
G3
RELAY 10
RELAY 11
RELAY 9
Drg
No:
Issue: Revision:
Date:
Date:
Name:
Chkd:
DO NOT SCALE
CAD DATA 1:1 DIMENSIONS: mm
Title:
Substation Automation Solutions
ALSTOM GRID UK LTD
(STAFFORD)
Sht:
Next
Sht:
07/10/2016 S.WOOTTON
SWOO-AB5E6D. INITIAL ISSUE.
10P54C02
1
2
EXTERNAL CONNECTION DIAGRAM: CURRENT DIFF 3 RELAY
16 INPUTS, 12 OUTPUTS (4 HIGH BREAK) & SEF (60TE)
B

Table of Contents

Related product manuals