EasyManua.ls Logo

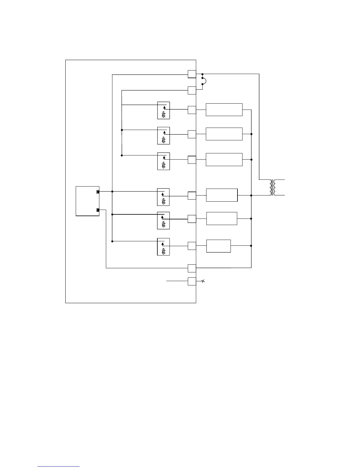
GE PROGRAMMABLE THERMOSTAT - Wiring Diagram for Conventional Heat;Cool System

GE PROGRAMMABLE THERMOSTAT
24 pages
Print Icon
To Next Page IconTo Next Page
To Next Page IconTo Next Page
To Previous Page IconTo Previous Page
To Previous Page IconTo Previous Page
Loading...
22
1st heang relay
W3
W2
W
Rc
RH
Y
Y2
G
L
C
3rd HEATING
1st HEATING
2nd HEATING
Transformer
2nd heang relay
3rd heang relay
1st cooling relay
Fan relay
AC_ IN
Power Supply
AC_ IN
1st Cooling
2nd Cooling
Jumper Wire
FAN
24VAC
Heat
Cool
2nd cooling relay
Wiring Diagram for Conventional Heat/Cool
System

Other manuals for GE PROGRAMMABLE THERMOSTAT

Related product manuals