EasyManua.ls Logo

Generac Power Systems HTS Wn

Generac Power Systems HTS Wn
56 pages
To Next Page IconTo Next Page
To Next Page IconTo Next Page
To Previous Page IconTo Previous Page
To Previous Page IconTo Previous Page
Loading...
33
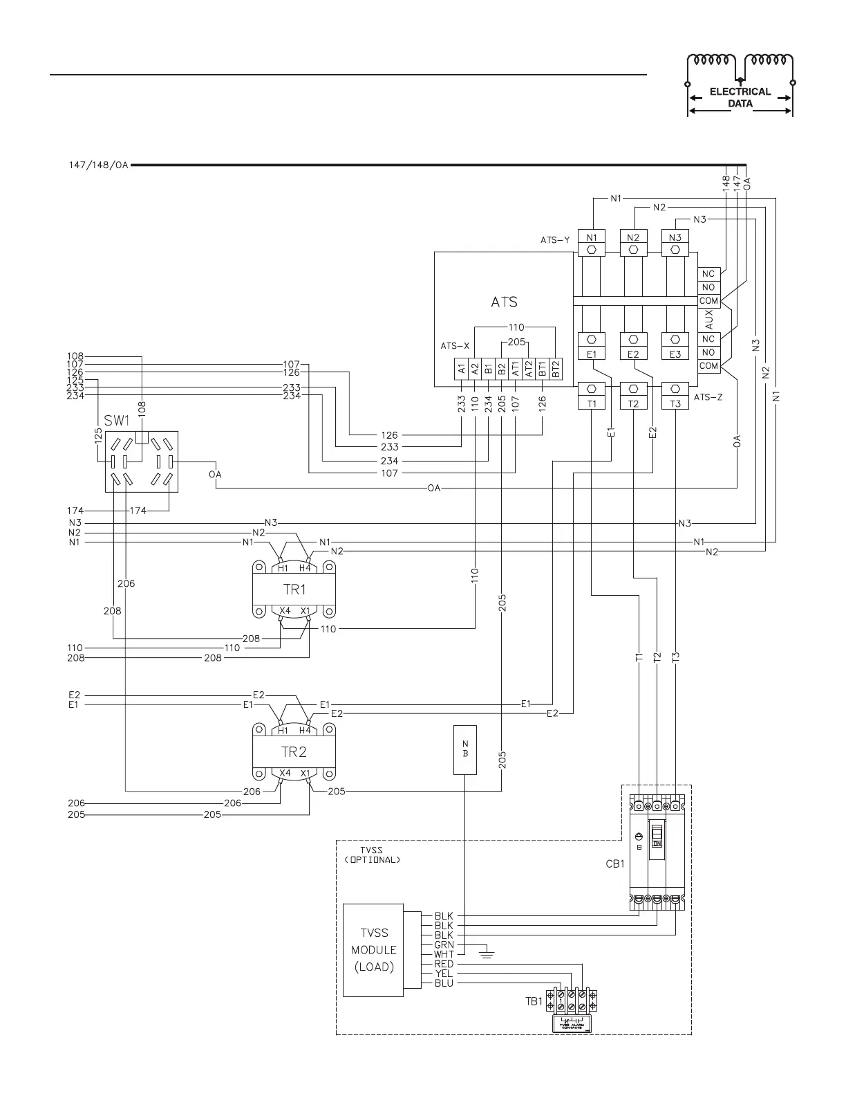
Section 7 — Wiring Diagrams & Electrical Schematics
Wiring Diagram - 480/600V — Drawing No. 0F7045-B

Related product manuals